onsemi MM3Z Zener Diode
onsemi MM3Z Zener Diode is a 200mW, 47V nominal zener voltage device offered in a SOD-323 surface mount package. This Zener diode is designed to provide voltage regulation protection and is used in situations where space is at a premium. The MM3Z zener diode operates at -65°C to 150°C junction and storage temperature range. This zener diode is suited for applications such as cellular phones, hand-held portables, and high-density PC boards.Features
- 2.4V to 75V standard zener breakdown voltage range
- Steady-state power rating of 200mW
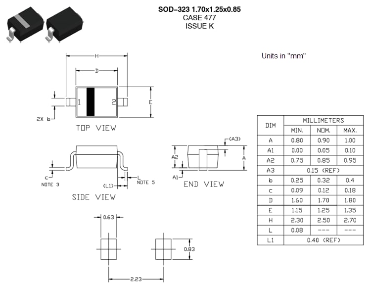
- 0.067" x 0.049" (1.7mm x 1.25mm) small body outline dimensions
- 0.035" (0.9mm) low body height
- Very small and thin SMD package
- 4.507mg/unit package weight
- UL 94V-0 flammability rating
- ESD rating of class 3 (>16kV) per human body model
- Pb-free devices
Applications
- Cellular phones
- Hand-held portables
- High-density PC boards
Dimension Drawing
Additional Resource
Đã phát hành: 2025-01-30
| Đã cập nhật: 2025-02-05
