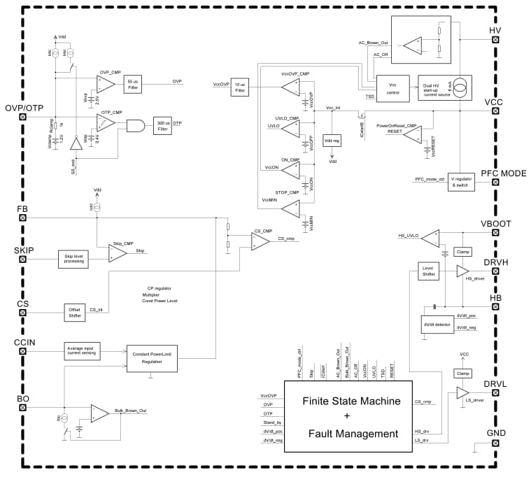
onsemi NCL30159 LLC Converter Controller
onsemi NCL30159 LLC Converter Controller provides wide dimming range operation in wide output conditions at a frequency range of up to 750kHz. This NCL30159 Inductor Inductor Capacitor (LLC) is a primary side current mode controller with high efficiency in standby, open-string protection, and dedicated startup. The converter controller offers high-voltage startup and brown−out detection, which significantly simplifies the design of the power supply or LED string driver. This NCL30159 controller allows the maximum power limit feature. The analog dimming capability, in conjunction with PWM dimming, is used to design the window LED driver and control the total light flux from the LED string.This converter controller comes in a SOIC−16 package and integrates half−bridge output drivers with the primary current sensing. The
controller is eligible for lighting application with minimum external components. Typical applications include window (CP) LED drivers, dimmable LED drivers, low-cost high-efficiency LED lighting, EV battery chargers, and TV set power supplies.
Features
- Integrated high-voltage startup circuit with brownout detection
- Up to 750kHz high-frequency operation (from 20kHz)
- Current mode control scheme
- Automatic dead-time with maximum dead-time clamp
- Over-current and open-string protection
- Shorted LED string protection
- Proprietary skip cycle in no−load operation
- Dedicated soft start sequence to avoid hard switching
- Pb-free device
Specifications
- 50mV low side driver voltage drop
- 0.8A output source short circuit current
- 1.5A output sink short circuit current
- 10μA leakage current
Applications
- Low-cost high efficiency LED lighting (50W to 300W)
- Window (CP) LED drivers
- Dimmable LED drivers
- EV Battery chargers
- TV set power supplies
Block Diagram
PIN Connections
Đã phát hành: 2023-12-19
| Đã cập nhật: 2024-05-29
