onsemi NCP4318 Synchronous Rectification Controllers
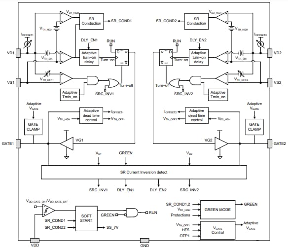
onsemi NCP4318 Synchronous Rectification Controllers are designed for LLC resonant converters with minimum external components. The controllers have a two-gate driver stage for driving the SR MOSFETs which are rectifying the outputs of the secondary transformer windings. The two gate driver stages have their own Drain and Source sensing inputs and operate independently of each other. The advanced adaptive dead-time control compensates a voltage across parasitic inductance to minimize the body diode conduction and maximize the system efficiency. The advanced turn-off control algorithm allows stable SR operation over the entire load range. NCP4318 has two versions of pin assignment, NCP4318AXX, NCP4318BXX.Features
- Mixed-mode SR turn-off control
- Anti-shoot-through control for reliable SR operation
- Separate 200V rated sense pins for the drain and dedicated source sense pins
- Advanced adaptive dead-time control
- SR current inversion detection
- Adaptive minimum turn-on time for noise immunity
- SR conduction time increase rate limitation
- Multi-level turn-off threshold voltage
- Adaptive gate voltage control (10V, 6V)
- Low operating current (100A) in Green Mode
- Soft start for 512 switching cycle with 0V/6V gate output voltage
- Very fast turn−on and turn−off delay time (30ns/30ns)
- Large gate sourcing and sinking current (1.5A/4.5A)
- Wide operating supply voltage range from 6.5V to 35V
- Wide operating frequency range (22kHz to 500kHz)
- SOIC-8 package
- These devices are Pb-free and are RoHS compliant
Applications
- High power density adapters
- Large screen LED-TV and OLED-TV power supplies
- High-efficiency desktop and server Power supplies
- Networking and telecom power supplies
- High power LED lighting
Block Diagram
Đã phát hành: 2021-03-23
| Đã cập nhật: 2025-03-04
