onsemi NCP51563 Gate Drivers
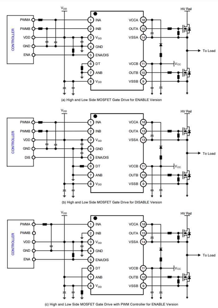
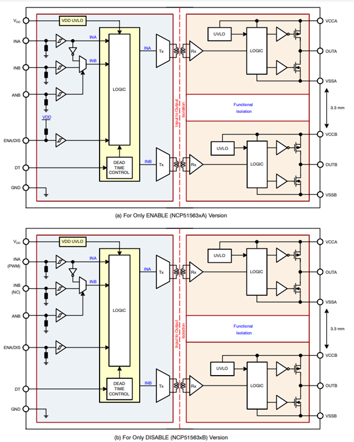
onsemi NCP51563 Gate Drivers are isolated dual-channel drivers designed for fast switching to drive power MOSFETs and SiC MOSFET power switches. These drivers offer short and matched propagation delays. The NCP51563 gate drivers feature a 4.5A peak source and 9A peak sink output current capability. These gate drivers operate at -40°C to 150°C junction temperature range. The NCP51563 drivers can be used in possible configurations of two low-side, two high-side switches, or a half-bridge driver with programmable dead time. These drivers feature protection functions such as independent under-voltage lockout for gate drivers and a dead time adjustment function. Applications include motor drives, isolated converters in DC/DC and AC/DC power supply, servers, telecom, industrial infrastructures, and UPS and solar inverters.Features
- Flexible:
- Dual low-side, dual high-side, or half-bridge gate driver
- 4.5A peak source, 9A peak sink output current capability
- Independent UVLO protections for both output drivers
- Output supply voltage from 6.5V to 30V with 5V and 8V for MOSFET, 13V and 17V UVLO for SiC, thresholds
- Common Mode Transient Immunity (CMTI) > 200V/ns
- Propagation delay typical 36ns with:
- 5ns maximum delay matching per channel
- 5ns maximum pulse-width distortion
- User programmable input logic:
- Single or dual-input modes via ANB
- ENABLE or DISABLE Mode
- User programmable dead-time
- Isolation and safety:
- 5kVRMS isolation for 1 minute (per UL1577 requirements)
- 8000 VPK reinforced isolation voltage (per VDE0884−11 requirements)
- CQC certification per GB4943.1−2011
- SGS FIMO certification per IEC 62386−1
- Pb-free devices
Applications
- Motor drives
- Isolated converters in DC/DC and AC/DC power supply
- Server, telecom, and industrial infrastructures
- UPS and solar inverters
Block Diagram
Typical Application Diagram
Đã phát hành: 2023-08-11
| Đã cập nhật: 2023-11-20
