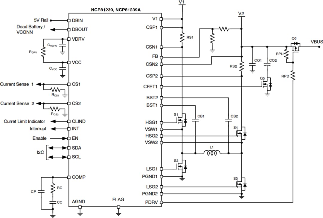
onsemi NCP81239/A USB PD Controller
onsemi NCP81239/A USB PD Controller is a Synchronous Buck-Boost optimized for converting battery or adapter voltage into power supply rails required for USB PD (Power Delivery) via standard and Type-C USB cables. WHEN USED WITH A USB PD OR TYPE-C INTERFACE CONTROLLER, the NCP81239 is fully compliant with the USB Power Delivery Specification. The NCP81239 is designed for applications requiring a dynamically controlled slew rate limited output voltage that require either voltage higher or lower than the input voltage. The NCP81239 drives 4 NMOSFET switches, allowing it to buck or boost and enabling support for consumer and provider role swap functions. This device operates with a supply and load range of 4.5V to 28V, designed for converting battery or adapter voltage into supply rails. The 4-Switch buck-boost controller has an I2C interface.The onsemi NCP81239/A USB PD Controller is offered in a compact Quad Flat No-lead (QFN) package, ideal for space-constrained applications.
Features
- 4.5V to 28V wide input voltage range (VI)
- 150kHz to 1.2MHz dynamically programmed frequency
- I2C interface
- Real-time Power Good indication
- Controlled slew rate voltage transitioning
- Feedback pin with internally programmed reference
- Support USB PD, QC2.0, and QC3.0 profiles
- Two independent current sensing inputs
- Over temperature protection
- Adaptive non-overlap gate drivers
- Filter capacitor switch control
- Over-voltage and over-current protection
- Dead battery power support
- 150°C maximum junction temperature (TJ)
- -40°C to 100°C operating ambient temperature Range (TA)
- QFN-32 package type
- 5mm x 5mm package dimensions
- Pb-Free
Applications
- Notebooks, tablets, desktops
- Smartphones
- Power banks
- Docking stations
- Monitors, TVs, and Set-Top boxes
- Consumer electronics
- Car chargers
- Docking stations
Block Diagram
Typical Application Circuit
Package Outline
Đã phát hành: 2017-03-28
| Đã cập nhật: 2022-03-11
