onsemi NCV78514 1-Channel Automotive LED Drivers
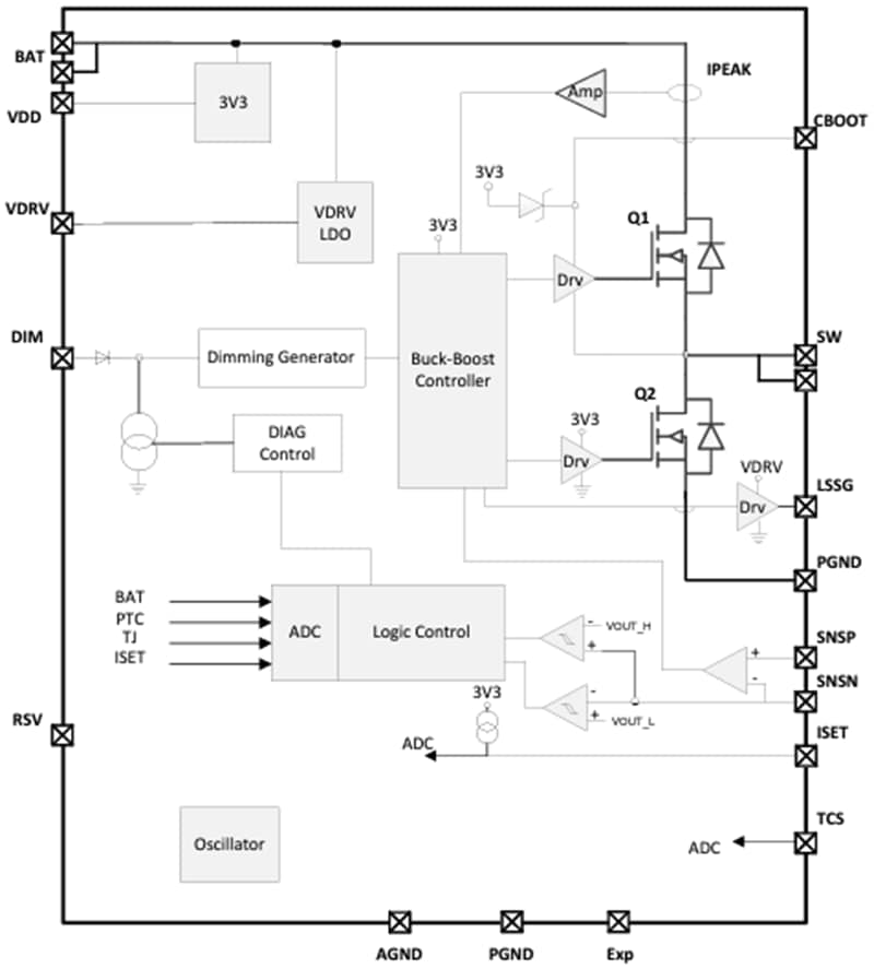
onsemi NCV78514 1-Channel Automotive LED Drivers are designed for MCU-less applications, integrating input voltage and LED string temperature derating features. The onsemi NCV78514 drivers support a single-channel LED driver with an H-Bridge topology, combining synchronous buck switches and an asynchronous boost using an external low-side NMOSFET and Schottky diode. Operating in constant current mode, the devices drive LED strings of 2 to 20 LEDs, enabling flexible designs for single-PCB or modular solutions. The LED string current is set via a current-encoding resistor and monitored using a sense resistor.
Features
- Support for MCU-less application
- Integrated derating mechanisms
- Fixed switching frequency at 400kHz
- Input operating range from 5V to 21V
- Warm start management below 9V
- Withstands load dump up to 45V
- Output voltage range up to 60V
- 200mA to 1500mA external programmable current
- 80Hz to 600Hz pulse width modulation
- 400Hz LED current dimming frequency
- External NTC/PTC for LED temperature
- Spread spectrum
- Status and error mode handling
- AEC-Q100 qualified and PPAP capable
Applications
- Fog lamp
- Cornering light
- Logo projection
- Logo lighting
Typical Application Circuit
Block Diagram
Đã phát hành: 2025-01-17
| Đã cập nhật: 2025-12-04
