onsemi NCV81277A Multiphase Synchronous Buck Controller
onsemi NCV81277A Automotive Multiphase Synchronous Buck Controller is optimized for next-generation computing and graphics processors. Capable of driving up to four phases, NCV81277A incorporates differential voltage/phase current sensing, adaptive voltage positioning, and a PWM_VID interface to provide accurately regulated power for computer or graphic controllers. An integrated power saving interface (PSI) allows for the processors to set the controller in one of three modes (all phases on, dynamic phases shedding, or fixed low phase count mode) to obtain high efficiency in light-load conditions. Dual-edge PWM multiphase architecture ensures fast transient responses and good dynamic current balance.Features
- Compliant with NVIDIA® OVR4+ specifications
- Supports up to 4x phases
- Power good output
- Under Voltage Protection (UVP)
- Over Voltage Protection (OVP)
- Over Current Protection (OCP)
- Per phase overcurrent protection
- Startup into pre-charged loads while avoiding false OVP
- Configurable Adaptive Voltage Positioning (AVP)
- High-performance operational error amplifier
- True differential current balancing sense amplifiers for each phase
- Phase-to-phase dynamic current balancing
- Current mode dual edge modulation for fast initial response to transient loading
- Power Saving Interface (PSI)
- Automatic phase shedding with user settable thresholds
- PWM_VID and I2C control interface
- Compact 40-pin QFN wettable flank package
- Moisture Sensitivity Level (MSL) 1
- AEC-Q100 Grade 2 approved
- Lead-free, Halogen-free, BFR-free, and RoHS compliant
Applications
- Automotive
- GPU and CPU power
Specifications
- VRMP
- 4.5V to 20V supply voltage range
- 3V to 4.2V UVLO range
- 800mV typical UVLO hysteresis
- Bias supply
- 4.6V to 5.4V supply voltage range
- VCC quiescent current
- 40µA maximum at enable low
- 32mA typical for 4-phase operation
- 10mA typical for 1-phase DCM operation
- 4V to 4.5V UVLO threshold range
- 200mV typical UVLO hysteresis
- Switching frequency
- 250kHz to 1.2MHz range (4x phase)
- ±4% accuracy at 810kHz, ±10% in all ranges
- Enable input
- ±1.0µA input leakage
- 0.6V to 1.2V threshold range
- DRON
- 0.1V to 3.0V output voltage range
- 160ns typical rise time
- 3ns typical fall time
- Internal resistance
- 2.0kΩ typical pull-up
- 70kΩ typical pull-down
- PGOOD
- 0.4V maximum output low voltage
- 0.2µA maximum leakage current
- 1.5ms maximum output voltage initialization time
- 0.15ms to 10ms typical output voltage ramp time range
- Protections
- 250mV to 350mV UVP threshold, 5µs typical delay
- 360mV to 430mV OVP threshold, 5µs typical delay
- 9.5µA to 10.5µA overcurrent protection (ILIM)
- PWM outputs
- 10ns rise/fall time
- ±1.0µA tri-state output leakage
- 12ns minimum on time (typical)
- 1.3V typical 0% duty cycle
- 2.5V typical 100% duty cycle
- ±15° PWM phase angle error
- 1.1ms typical phase detect timer
- Error amplifier
- ±400nA input bias current range
- 80dB typical open-loop gain
- 20MHz typical open-loop unity gain bandwidth
- 5V/µs typical slew rate
- 1V to 3.5V output voltage range
- Differential summing amplifier
- ±400nA input bias current range
- 0V to 2V VSP input range
- ±0.3V VSN input
- 27MHz typical -3dB bandwidth
- 1V/V typical closed-loop DC gain
- 78mV to 82mV droop accuracy
- 0.8V to 3V output voltage range
- Current sensing amplifier
- ±500µV offset voltage
- ±7.5µA input bias current
- 80dB typical open-loop gain
- 10MHz typical current sense unity gain bandwidth
- 0.1V to 3.5V CSCOMP output voltage range
- Current balance amplifier
- ±50nA input bias current
- 0V to 2V common mode input voltage range
- ±100mV differential mode input voltage range
- ±1.5mV closed-loop input offset voltage matching
- 5.7V/V minimum current sense amplifier gain, 6.0V/V typical
- ±3% multiphase current sense gain matching
- 8MHz typical -3dB bandwidth
- IOUT
- ±3mV input reference offset voltage
- 200µA output current maximum (typical)
- 9.5A/A to 10.5A/A current gain range
- Voltage reference
- 1.98V to 2.02V range
- 1% typical accuracy
- PSI
- 0.575V to 1.45V threshold range
- ±1µA input leakage current
- PWM_VID buffer
- 0.575V to 1.21V threshold range
- 400kHz to 5000kHz switching frequency
- 3ns typical output rise/fall time
- 0.5ns typical rising/falling edge delay
- 8ns typical propagation delay
- 0.5ns typical propagation delay error
- 10Ω typical REFIN discharge switch on-resistance
- I2C
- 0.5V to 1.7V input voltage range
- 80mV typical hysteresis
- 0.4V output low voltage (maximum)
- ±1µA input current
- 5pF typical input capacitance
- 400kHz clock frequency
- 600ns minimum start condition setup/hold time
- 100ns minimum data setup time
- 300ns minimum data hold time
- 600ns stop condition setup time
- -40°C to +105°C operating temperature range
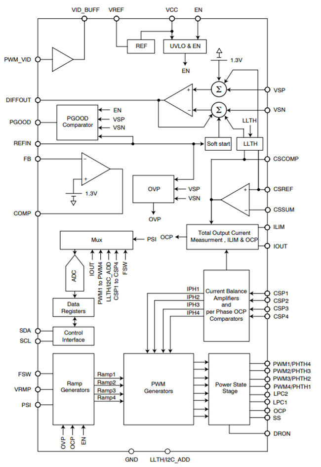
Functional Block Diagram
Đã phát hành: 2023-08-11
| Đã cập nhật: 2023-10-25
