onsemi NVXR17S90M2SPx EliteSiC Power Modules
onsemi NVXR17S90M2SPx EliteSiC Power Modules enhance efficiency, power density, and overall performance. The onsemi NVXR17S90M2SPx modules integrate a 900V SiC MOSFET in a convenient six-pack configuration. The modules feature press-fit pins for signal terminals enabling easy assembly and improved reliability. Additionally, the devices include an optimized pin-fin heatsink in the baseplate for effective heat dissipation. The die attach utilizes sintering technology to enhance reliability and thermal performance, meeting the AQG324 automotive standard.Features
- Direct cooling with integrated pin-fin heatsink
- Silicon Nitride isolator
- Tvj.Max = +175°C for continuous operation
- Automotive grade SiC MOSFET chip technologies
- Sintered die technology for high-reliability performance
- Easy to integrate 6-pack topology
- Automotive module AQG324 compliant
- Pb-free and RoHS-compliant
- Typical applications include hybrid and electric vehicle traction inverters
Applications
- Converter DC battery output to power AC traction motors
- High power DC-DC converters
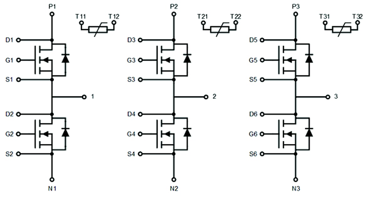
Pin Description
Đã phát hành: 2024-02-05
| Đã cập nhật: 2024-06-18
