PANJIT PJ30072 Synchronous Boost Converter
PANJIT PJ30072 Synchronous Boost Converter is a step-up DC-DC converter based on constant off time/PSM controller topology using an internal synchronous rectifier. This converter offers a comprehensive power supply solution for devices powered by one to two Ni-Cd, Alkaline, and Ni-MH battery cells. The PJ30072 converter achieves up to 94% efficiency and is available in the SOT23-6 package. This converter features <1μA low shutdown current, 12μA low Quiescent current, and low no-load input current. The PJ30072 converter is used in medical instruments, smartphones, wireless mice, and Bluetooth® devices.Features
- Deliver 3.3V at 60mA from single Alkaline/Ni-MH or 3.3V at 120mA from two cells
- Based on off time/PSM controller technology
- Achieves up to 94% efficiency
- <1μA low shutdown current
- 12μA low Quiescent current
- Low no-load input current
- Output disconnect by shutdown function
- -40°C to 85°C operating ambient temperature range
- Available in SOT23-6 package
Applications
- Smartphones
- Bluetooth devices
- Medical instruments
- Wireless mice
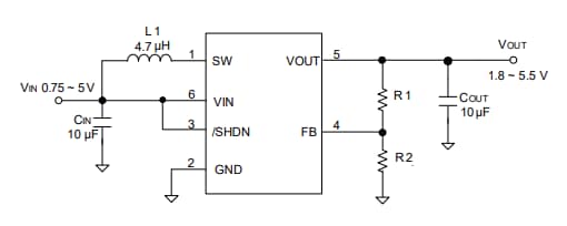
Simplified Schematic Diagram
Functional Block Diagram
Đã phát hành: 2024-05-06
| Đã cập nhật: 2024-05-23
