Cornell Dubilier / Knowles Type 944L Low Inductance DC Link Capacitors
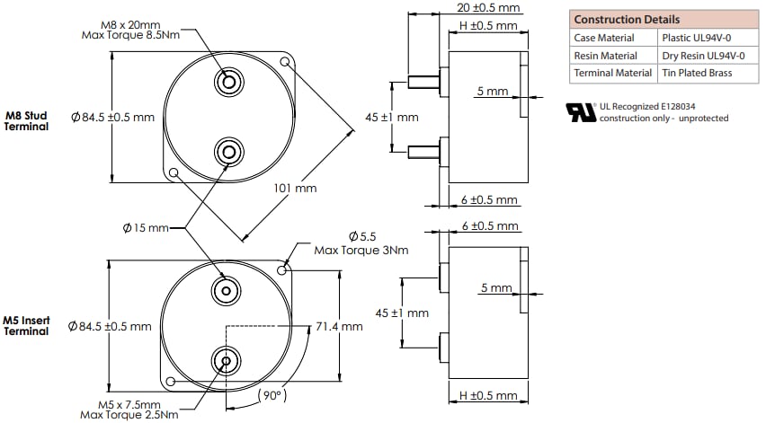
Cornell Dubilier (CDE) Type 944L Low Inductance DC Link Capacitors are specifically designed for fast-switching inverter applications. The low inductance construction and low-loss winding technology make the 944L series ideal for next-generation, high-power-dense inverter designs. These low-profile devices offer a capacitance range of 33µF to 220µF with ±10% standard capacitance tolerance and a rated voltage range of 800VDC to 1400VDC. Additional features include up to 60% lower equivalent series inductance (ESL) in standard sizes and ratings, low equivalent series resistance (ESR), and high ripple current. The rugged UL 94V-0 rated flame-retardant plastic case features integrated mounting flanges for easy, secure mounting, while M8 threaded stud and M5 insert terminal options offer design flexibility.CDE Type 944L Low Inductance DC Link Capacitors are REACH and RoHS compliant. Ideal applications include electric vehicle power inverters, wind power inverters, motor drives, and induction heating.
Features
- Designed for higher switching frequencies
- Up to 60% lower ESL in standard sizes and ratings
- Low ESR
- High ripple current
- Low profile
- M8 threaded stud and M5 insert termination options
- Integrated mounting flanges for secure mounting to sturdy flat surfaces
- Rugged UL 94V-0 rated flame-retardant plastic case and solid resin fill
- REACH and RoHS compliant
Applications
- Electric vehicle power inverters
- Wind power inverters
- Motor drives
- Induction heating
Specifications
- 33µF to 220µF capacitance range
- ±10% standard capacitance tolerance
- 800VDC to 1400VDC rated voltage
- 5000h life test at +85°C and rated voltage
- 90A maximum rms current at +55°C
- 230VAC maximum rms voltage
- -40°C to +85°C operating temperature range
Application Example: EV Charging
Application Example: Solar Power
Dimensions
Standard Ratings
Part Numbering System
Additional Resources
Đã phát hành: 2023-02-24
| Đã cập nhật: 2025-09-15
