Pletronics Inc. UCE4 Temperature Compensated Crystal Oscillators
Pletronics Inc. UCE4 Temperature Compensated Crystal Oscillators (TCXOs) offer a 10MHz to 40MHz frequency range. These oscillators feature an optional voltage control function and clipped sine wave output. The TCXOs operate from 1.8V to 3.3V nominal supply voltage and 3mA maximum supply current. These UCE4 TCXOs operate from -40°C to 85°C temperature range and come in a 3.2mm x 2.5mm x 0.9mm LCC ceramic package. Typical applications include GPS, WiMAX, Wi-Fi®, Wi-LAN, handsets, broadband access, point-to-point radios, seismic exploration, wireless communications, base stations, and test equipment.Features
- Optional voltage control function
- Clipped sine wave output
- 1.8V to 3.3V nominal supply voltage range
- 10MHz to 40MHz frequency range
- -40°C to 85°C operating temperature range
- 3.2mm x 2.5mm x 0.9mm LCC ceramic package
Applications
- GPS
- WiMAX, Wi-Fi, and Wi-LAN
- Handsets
- Broadband access
- Point-to-point radios
- Seismic exploration
- Wireless communications
- Base stations
- Test equipment
Dimension Diagrams
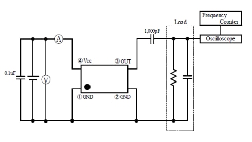
Electrical Test / Load Circuit
Đã phát hành: 2023-11-15
| Đã cập nhật: 2024-03-01
