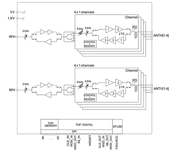
pSemi PE188200 8-Channel Beamforming Front-End Module
pSemi PE188200 8-Channel Beamforming Front-End Module is designed for 5G applications in the 26.5GHz to 29.5GHz bands. This module is organized as two independently controllable RF chains of four channels, supporting four dual-polarity antennas or eight single-polarity antennas. The time-division duplex (TDD) mode operation switches the power amplifier/low noise amplifier (PA/LNA) branches connected to each antenna port. The chain is completed with an integrated splitter/combiners and a phase and amplitude beamformer for each channel. All control is conducted via a four-wire serial peripheral interface (SPI) bus, and the on-chip memory holds 512 sets of eight-channel beamforming coefficients. pSemi PE188200 8-Channel Beamforming Front-End Module is ideal for 5G base stations, 5G customer premises equipment (CPE), and point-to-point radio.Features
- Covers n257 band, 26.5GHz to 29.5GHz
- Integrated power amplifiers and low-noise amplifiers
- Supports 4 dual-polarity antennas
- 50Ω impedance at RF ports
- 6-bit phase and 6-bit attenuation control
- High linear POUT supporting CP-OFDM 64 QAM
- Fast beam switching
- On-chip memory for 512 beams
- Independent control via SPI of all paths
Applications
- 5G base stations
- 5G CPE
- Point-to-point radio
Functional Block Diagram
Additional Resources
Đã phát hành: 2022-02-04
| Đã cập nhật: 2024-03-14
