Qorvo ACT2861QI 30V Buck-Boost Charger
Qorvo ACT2861QI 30V Buck-Boost Charger is designed with four integrated MOSFETs and On-The-Go (OTG) function. This buck-boost charger offers a high efficiency, low-component-counts, compact solution for two- to five-cell battery-charging applications. Qorvo ACT2861QI buck-boost charger operates from 3.9V to 29V input voltage range. This charger reduces input current in shipping, shutdown, and standby for applications that are sensitive to battery-powered devices. Qorvo ACT2861QI 30V Buck-Boost Charger is available in 32-pin configuration and 4mm x 4mm QFN package. Typical applications include a multi-cell battery charger, car charger, power bank, 24V industrial applications, DC UPS, and solar-powered devices.Features
- 3.9V to 29V input voltage range
- Supports 2- to 5-cell lithium-ion batteries
- Supports OTG function (5V to 22.5V input) with a wide range of output voltages
- Programmable frequencies
- 125kHz
- 250kHz
- 500kHz
- 1MHz
- 100mA output current
- 2V to 5V output voltage
- 0.5% precision
- ±4% output constant current regulation
- <5μA leakage current from a battery in shipping mode
- JEITA compliant
- Cycle-by-cycle current limit
- Built-in ADC for monitoring
- Temperature
- Input and output voltage
- Input and output current
- Thermal regulation and protection
- Low output ripple
- Thermally-enhanced 32-lead, 4m x 4mm QFN package
Applications
- Multicell battery chargers
- Portable battery-powered devices
- Car chargers
- Power banks
- 24V industrial applications
- Automotive power systems
- Multiple power source supplies
- DC UPS
- Solar-powered devices
- Solid-state lighting
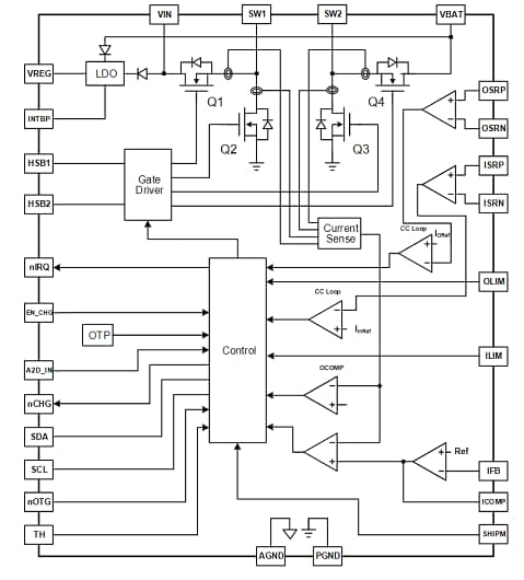
Block Diagram
Car Charger Reference Design
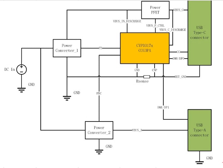
Power Bank Reference Design
Đã phát hành: 2018-05-21
| Đã cập nhật: 2023-01-31
