Qorvo ACT81460EVK1 Evaluation Kit
Qorvo ACT81460EVK1 Evaluation Kit is designed to evaluate the ACT81460VM101 power management IC. The evaluation kit offers full access to each converter's input, output voltage, and digital control signals. These design features allow the evaluation kit to be configured to match a real-world system. The ACT81460EVK1 evaluation board can be used as a standalone board if required.Required Equipment
- USB-TO-I2C dongle
- 5V ar 4A for full power operation
- >100MHz >2 channels oscilloscope
- Electronic or resistive loads with 1A minimum current capability
- Digital Multimeters (DMM)
- Windows-compatible computer with a spare USB port
Evaluation Kit Setup
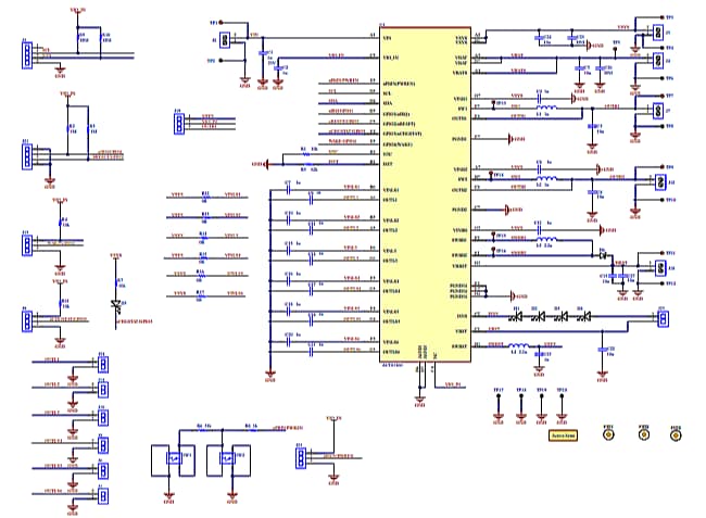
Schematic Diagram
Đã phát hành: 2020-03-12
| Đã cập nhật: 2024-08-19
