Qorvo CMD307P3 8GHz to 16GHz Low Noise Amplifier
Qorvo CMD307P3 8GHz to 16GHz Low Noise Amplifier is a broadband MMIC housed in a leadless 3mm x 3mm plastic surface-mount package. The Qorvo CMD307P3 is ideal for communication systems requiring a small size and low power consumption. The device operates from 8GHz to 16GHz and delivers greater than 17dB of gain with a corresponding output 1dB compression point of +12dBm and a noise figure of 2dB. The CMD307P3 is a 50Ω matched design that eliminates the need for external DC blocks and RF port matching.Features
- Low noise figure
- Low current consumption
- Single positive supply voltage
- Lead-free, RoHs-compliant
- 3mm x 3mm QFN package
Applications
- Electronic warfare (EW)
- Radar
- X Band
- Ku Band
- Space
- Satellite communications (Satcom)
- Phased arrays
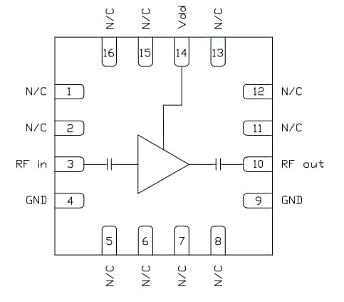
Block Diagram
Đã phát hành: 2020-03-24
| Đã cập nhật: 2024-08-20
