Qorvo QPA9418EVB-01 Evaluation Board
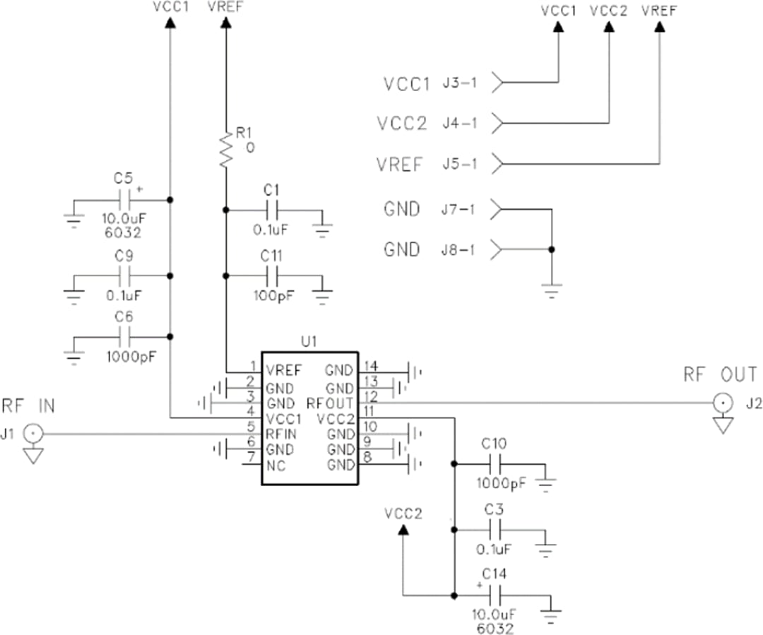
Qorvo QPA9418EVB-01 Evaluation Board is a demonstration and development platform for the QPA9418 High-Linearity Two-Stage Power Amplifier. The QPA9418 amplifier provides 30.6dB gain and +27dBm linear power over the 1805MHz to 1930MHz frequency range. This amplifier is able to achieve -48dBc ACLR at +27dBm output power using a 20MHz LTE signal.The QPA9418EVB-01 Evaluation Board features a pre-mounted QPA9418 in a compact 7mm x 7mm leadless surface mount package. The evaluation board provides an example application circuit, allowing rapid prototyping when incorporated into existing designs.
Application Circuit Schematic
Videos
Đã phát hành: 2019-09-30
| Đã cập nhật: 2023-11-30
