Qorvo QPA9424EVB-01 Evaluation Board
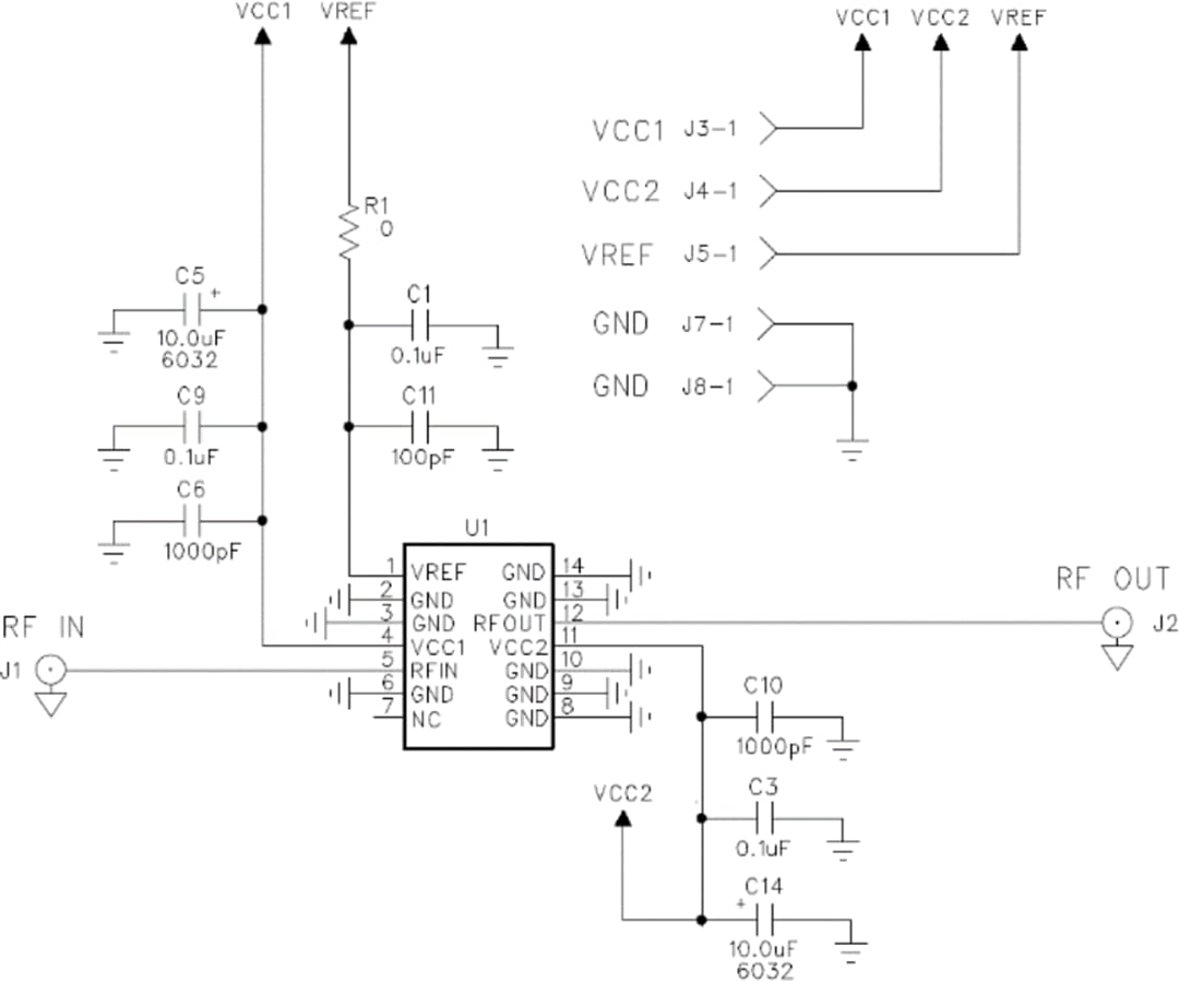
Qorvo QPA9424EVB-01 Evaluation Board is a demonstration and development platform for the QPA9424 High-Linearity Three-Stage Power Amplifier. The QPA9424 provides 35.8dB gain and +27dBm linear power over the 2300MHz to 2400MHz frequency range covering band 30 and band 40. This amplifier is able to achieve-48.5dBc ACLR at +27dBm output power with a 20MHz LTE signal.The QPA9424EVB-01 Evaluation Board features a pre-mounted QPA9424 in a compact 7mm x 7mm leadless surface mount package. The Evaluation Board provides an example application circuit, allowing rapid prototyping when incorporated into existing designs.
Application Circuit Schematic
Videos
Đã phát hành: 2019-09-30
| Đã cập nhật: 2023-12-01
