Qorvo QPC7336 Evaluation Board
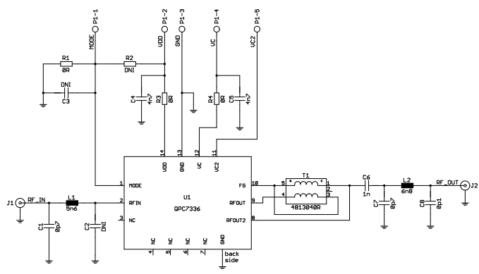
Qorvo QPC7336 Evaluation Board is designed for the evaluation of the QPC7336 voltage-controlled variable equalizer. This board operates at a bandwidth from 45MHz to 1218MHz. The QPC7366 evaluation board works from a single supply voltage of 5V. Qorvo QPC7336 Evaluation Board, along with the equalizer, finds applications in Community Antenna Television (CATV) amplifiers and transmission systems.Features
- Evaluates QPC7366 variable equalizer
- 45MHz to 1218MHz operational bandwidth
- 5V single supply voltage
Schematic
Đã phát hành: 2018-05-03
| Đã cập nhật: 2023-01-31
