Qorvo QPD1029L GaN RF IMFET Transistor
Qorvo QPD1029L GaN RF Internally Matched FET (IMFET) Transistor is a 1500W (P3dB) discrete GaN on SiC High Electron Mobility Transistor (HEMT). This RF IMFET operates between a 1.2GHz to 1.4GHz frequency range. The QPD1029L transistor provides ease of external board match and saves board space. This Qorvo transistor is a RoHS-compliant device. The QPD1029L IMFET transistor device is used in an industry-standard air cavity package and is ideally suited for radar.Features
- 1.2GHz to 1.4GHz frequency range
- 1500W output power (P3dB) at 1.3GHz load pull
- 21.3dB linear gain at 1.3GHz load pull
- 75% typical PAE3dB at 1.3GHz load pull
- 65V operating voltage
- Continuous wave (CW) and pulse capable
Applications
- L-band radar-amplifier
- Radar
Block Diagram
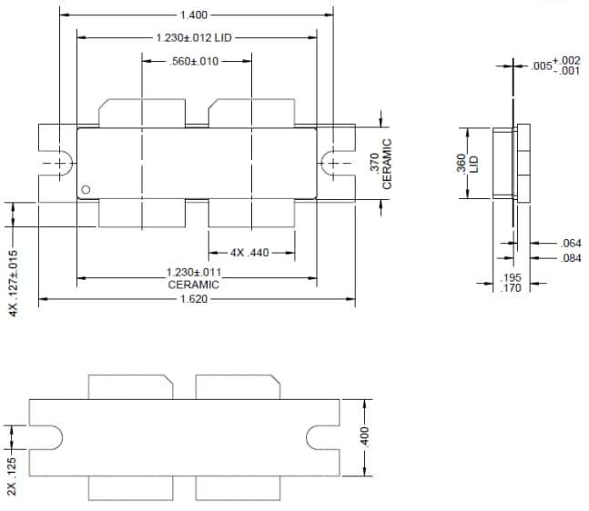
Mechanical Drawing (inches)
Additional Resource
Đã phát hành: 2020-07-20
| Đã cập nhật: 2024-08-23
