Qorvo TGA2222 Wide Band Power Amplifier MMIC
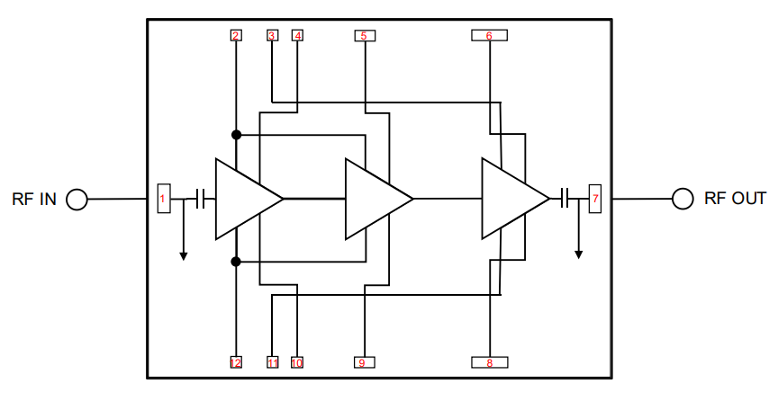
Qorvo TGA2222 Wide Band Power Amplifier MMIC provides 40dBm (10W) saturated output power and 16dB large-signal gain within a 32GHz to 38GHz frequency range. The power amplifier is fabricated on 0.15µ gallium nitride (GaN) with silicon carbide (SiC) processing (QGaN15). The amplifier employs a balanced architecture to minimize performance-sensitivity-to-load variation. TGA2222 radio frequency ports are DC-coupled to ground for optimum electrostatic discharge (ESD) performance. The amplifier has DC-blocking capacitors on both RF ports, which are matched to 50Ω. TGA2222 can support a wide range of operating conditions, including continuous-wave (CW) operation, making it ideal for commercial and military systems.Features
- 32GHz to 38GHz frequency range
- 21.6dB gain
- 1x channel
- 26V operating supply voltage
- -40°C to +85°C operating temperature range
- 17dB input return loss
- 60W power dissipation
- 3.43mm x 2.65mm x 0.05mm die dimensions
Specifications
- >40dBm PSAT (PIN=24dBm)
- >22% PAE (PIN=24dBm)
- >16dB power gain (PIN=24dBm)
- >25dB small signal gain
- Bias (pulsed): VD = 26V, IDQ = 640mA
- Bias (CW): VD = 24V, IDQ = 640mA
Applications
- Communications
- Radar
- Satcom
- Space communications
- Point-to-point communications
Block Diagram
Đã phát hành: 2019-08-20
| Đã cập nhật: 2023-11-28
