Renesas Electronics ISL78419 TFT-LCD Power Supply Regulator
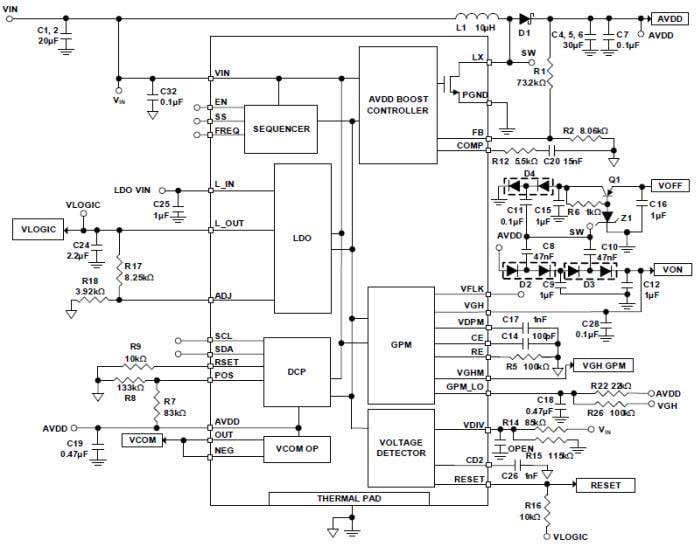
Renesas / Intersil ISL78419 TFT-LCD Power Supply Regulator is an integrated power management IC (PMIC) for TFT-LCDs used in central display, rear-seat entertainment, and virtual dashboards. The device integrates a boost converter for generating AVDD, an LDO regulator for VLOGIC. VON and VOFF are generated by a charge pump driven by the switch node of the boost converter. The ISL78419 also includes a VON slice circuit, reset function, and a high-performance VCOM amplifier with a Digitally Controlled Potentiometer (DCP) that is used as a VCOM calibrator.Features
- 2.5V to 5.5V input
- 1.5A, 0.18Ω integrated boost FET
- VON/VOFF supplies generated by charge pumps driven by the boost switch node
- LDO for VLOGIC channel
- 600kHz/1200kHz selectable switching frequency
- Integrated gate pulse modulator
- Reset signal generated by supply monitor
- Integrated VCOM amplifier
- DCP
- I2C serial interface, address: 0101000, MSB left
- Wiper position stored in 8-bit nonvolatile memory and recalled on power-up
- Endurance, 1,000 data changes per bit
- UVLO, UVP, OVP, OCP, and OTP protection
- Pb-free (RoHS compliant)
- 28 Ld 4x5 QFN
- AEC - Q100 qualified
Applications
- Automotive TFT displays
- Central displays, rear seat entertainment and dashboards
Application Diagram
Đã phát hành: 2013-02-12
| Đã cập nhật: 2023-06-20
