Renesas Electronics ISL8801x 5 Ld Voltage Supervisors
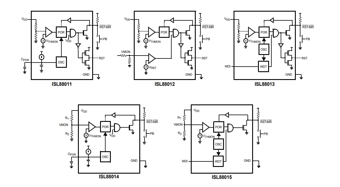
Renesas Electronics ISL8801x 5 Ld Voltage Supervisors offer both fixed and/or adjustable voltage-monitoring, that combine popular functions in a small 5 Ld SOT-23 package. These functions include power-on reset control, watchdog timer, supply voltage supervision, and manual reset assertion.Renesas ISL88013 includes a watchdog timer with a 51s start-up timeout and a 1.6s normal timeout duration. The ISL88011 and ISL88014, provide an option to increase the nominal 200ms power-on reset timeout delay by adding an external capacitor to the CPOR pin. Complementary active-low and active-high reset outputs are available on the ISL88011 and ISL88013 devices. All the ISL8801x 5 Ld Voltage Supervisors have a manual reset capability. The ISL88014 has a user-adjustable voltage input available for custom monitoring of any voltage down to 0.6V. The ISL8801x 5 Ld Voltage Supervisors are designed for low power consumption and high threshold accuracy.
Features
- Single/dual voltage monitoring supervisors
- Fixed-voltage options allow precise monitoring of +2.5V, +3.0V, +3.3V, and +5.0V power supplies
- Dual supervisor has one fixed voltage input and another that is user-adjustable down to 0.6V
- RST and RST outputs available
- Adjustable POR timeout delay options
- Watchdog timer with 1.6s normal and 51s start-up timeout durations
- Manual reset input on all devices
- Reset signal valid down to VDD = 1V
- Accurate ±1.5% voltage threshold
- Immune to power-supply transients
- Ultra-low 5.5µA supply current
- Small 5 Ld SOT-23 Pb-free package
- Pb-Free (RoHS compliant)
Applications
- Process control systems
- Intelligent instruments
- Embedded control systems
- Computer systems
- Critical microprocessor and microcontroller power monitoring
- Portable/battery-powered equipment
- PDA and handheld PC devices
Block Diagrams
Đã phát hành: 2019-11-21
| Đã cập nhật: 2023-09-26
