Renesas Electronics ISL9241 Buck-Boost Configurable Battery Charger
Renesas Electronics ISL9241 Buck-Boost Configurable Battery Chargers support both Narrow Voltage Direct Charging (NVDC) and Hybrid Power Buck-Boost (HPBB/Bypass) charging. These battery chargers can switch between the modes through firmware control. The ISL9241 battery chargers also support bypass mode using a controller's firmware that allows the adapter to provide power directly to the system. These chargers provide the charging function, system bus regulation, and protection features using only NFETs for tablet, ultrabook, and notebook platforms. The ISL9241 chargers take input power from various DC power sources, including conventional AC/DC charger adapters, USB Type-C™ power ports, and travel adapters. These devices can safely charge battery packs with 4-series cell Li-ion batteries.Features
- Buck-boost NVDC or hybrid power (turbo boost) charger for 2-, 3-, or 4-cell Li-ion batteries using all NFET transistors
- Bypass mode supported to connect the system to the adapter
- Autonomous charging option (automatic end of charging)
- Adapter current and battery current monitor (AMON/BMON)
- PROCHOT# open-drain output and IMVP compliant
- System power monitor PSYS output and IMVP8/9 compliant
- Internal 8-bit ADC for monitoring key parameters
- USB-C™ Power Delivery (PD) fast role swap support and Packets Per Second (PPS) support
- Independent compensation pins for forward and reverse operation (OTG) modes
- Supports supplemental power (Intel VMIN active protection)
- Battery Ship mode with IC ultra-low power state
- Supports JEITA compliance using an NTC
- 4mm x 4mm 32 Ld TQFN package
Specifications
- 3.9V to 23.4V input voltage range (no dead zone)
- 3.9V to 18.304V system/battery input voltage
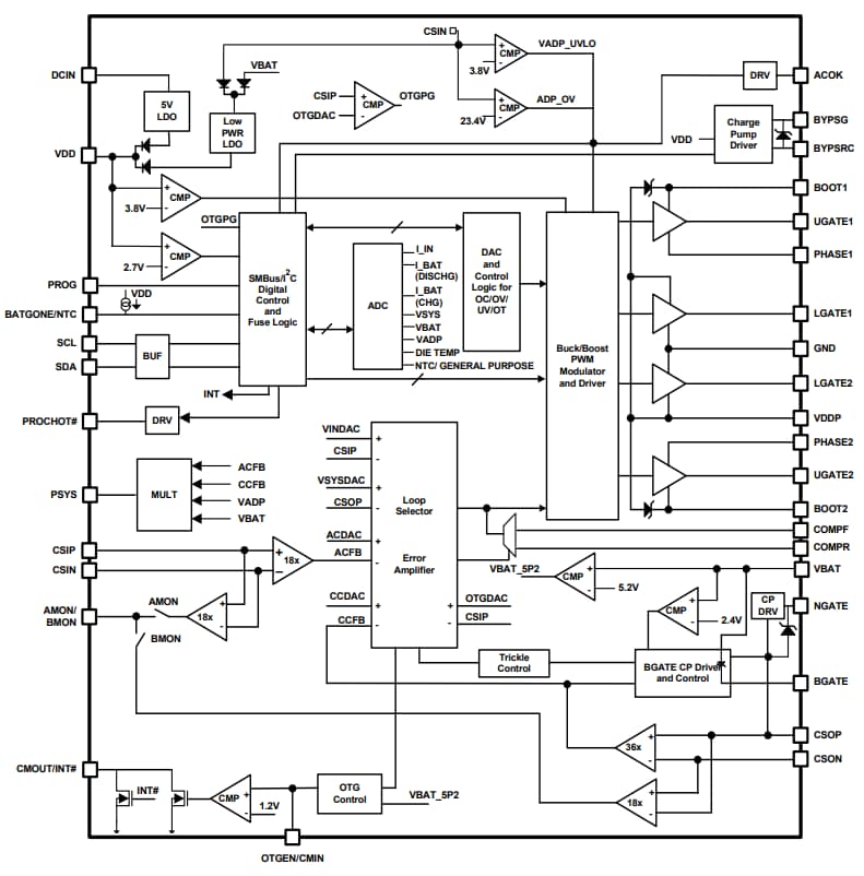
ISL9241 Block Diagram
ISL9241 Application Circuit Diagram
Đã phát hành: 2018-12-18
| Đã cập nhật: 2023-02-15
