ROHM Semiconductor BM2SC12xFP2-LBZ AC-DC Converters with SiC MOSFETs
ROHM Semiconductor BM2SC12xFP2-LBZ AC-DC Converters with SiC MOSFETs are quasi-resonant AC-DC converters that enable soft switching and low EMI. These converters come with a built-in 1700V 4A Silicon-Carbide MOSFET. The AC-DC converters feature low current consumption during standby and burst operation at light load. The BM2SC12xFP2-LBZ AC-DC Converters offer undervoltage lock-out (UVLO), overvoltage protection (OVP), and overcurrent protection circuits per cycle. Typical applications include a power supply for industrial equipment, AC adaptors, and household appliances.ROHM Industrial
Features
- Quasi-resonant AC-DC converters
- Built-in 1700V/4A/1.12Ω (typical) SiC-MOSFET
- Low EMI
- Frequency reduction function
- Burst operation at light load
- Overcurrent protection circuit per cycle
- Overvoltage protection function
- VCC overload protection function
- VCC undervoltage lock-out protection
- Soft-start function
Applications
- General-purpose inverters
- AC servos
- Programmable logic controllers (PLCs)
- Power supplies for industrial equipment
- Household appliances
- Manufacturing equipment
- AC adapter
- Robots
- Industry lighting
Specifications
- 19µA low current consumption during standby
- 2000µA normal operating current (typical)
- 500µA burst operating current (typical)
- Operating power supply voltage range
- 15V to 27.5V (VCC)
- 1700V (minimum) DRAIN
- 120kHz operating frequency (typical)
- Package options
- 10mm x 4.5mm x 25.6mm TO220-6M
- 10.18mm x 15.5mm x 4.43mm TO263-7L
Additional Resource
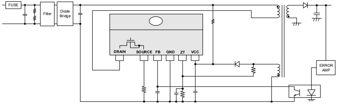
Block Diagram
Application Circuit Diagram
Đã phát hành: 2019-05-16
| Đã cập nhật: 2024-01-23
