ROHM Semiconductor BD2601xBFS 3-Phase Brushless Fan Motor Controllers
ROHM Semiconductor BD2601xBFS 3-Phase Brushless Fan Motor Controllers generate a driving signal from hall sensor inputs. The ROHM Semiconductor BD2601xBFS then sends it to control the external power transistor. It's easy to replace due to its pin compatibility with BD62018BFS. This controller ensures optimal motor drive for various applications and facilitates motor unit standardization.Features
- BD62012BFS
- 150° commutation logic
- PWM control (upper arm switching)
- BD62018BFS
- 180° sinusoidal commutation logic
- PWM control (upper and lower arm switching)
- Phase control supported from 0° to +30° at 1° intervals
- Rotational direction switch
- FG signal output with pulse number switch (4 or 12)
- VREG output (5V/30mA)
- OCP, TSD, UVLO, MLP, and the external fault input protection circuits provided
Applications
- Air conditioners
- Air purifiers
- Water pumps
- Dishwashers
- Washing machines
Datasheets
Typical Application Circuit
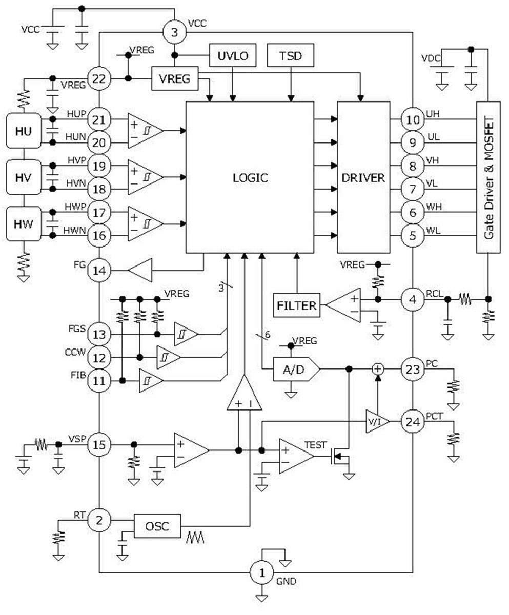
Block Diagram
Đã phát hành: 2024-05-30
| Đã cập nhật: 2024-06-06
