ROHM Semiconductor RB-D62Q1325MB16 Reference Board
ROHM Semiconductor RB-D62Q1325MB16 Reference Board is designed to showcase the capabilities of the LAPIS ML62Q1325, a 16-bit RISC CMOS microcontroller optimized for low-power and high-performance applications. This reference board provides a versatile platform for developers to prototype embedded systems that require efficient processing and real-time control. Powered by the ML62Q1325, the board features internal flash memory and RAM, with the option for external memory, making it suitable for a range of applications. It supports various I/O interfaces, including analog-to-digital converters (ADC), timers, and common communication protocols like UART, SPI, and I2C, allowing seamless integration with sensors, actuators, and other peripherals.With its low power consumption, the ROHM Semiconductor RB-D62Q1325MB16 board is ideal for battery-powered and energy-efficient designs, while its real-time processing capabilities ensure quick response times in time-sensitive tasks. The compact form factor, coupled with development tools and software support, makes the RB-D62Q1325MB16 an excellent solution for prototyping applications in industrial control, consumer electronics, and automotive systems.
Features
- Mounted LED (P20, P21, P22)
- Low power consumption
- Real-time processing
- 1.6V to 5.5V operating power supply
- Compact form factor, 56mm x 94mm x 15mm (WxDxH) size
Applications
- Industrial automation
- Consumer electronics
- Sensor networks
- Automotive systems
Overview
Power Circuit
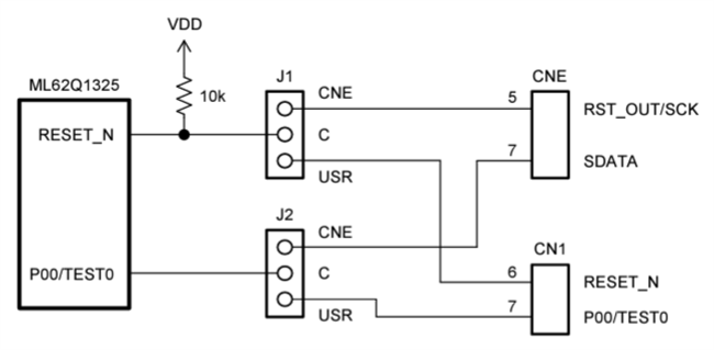
EASE1000 Interface
PCB Layout
Đã phát hành: 2024-12-23
| Đã cập nhật: 2024-12-30
