ROHM Semiconductor RB-D62Q1347GD24 Reference Board
ROHM Semiconductor RB-D62Q1347GD24 Reference Board is designed with the LAPIS ML62Q1347, a high-performance 16-bit RISC (Reduced Instruction Set Computing) microcontroller based on CMOS technology. This reference board serves as a development platform, enabling engineers and developers to quickly prototype and test applications for the ML62Q1347 MCU. The ML62Q1347 is optimized for low power consumption and features a versatile range of peripherals, making it suitable for industrial control, home appliances, and automotive electronics applications.The ROHM Semiconductor RB-D62Q1347GD24 Reference Board provides easy access to the MCU’s features, offering a convenient way to evaluate its performance, including I/O interfaces, timers, and communication modules. With its comprehensive design, the board supports the rapid development and testing of embedded systems based on the LAPIS ML62Q1347, streamlining the design process for embedded solutions.
Features
- Provided with LAPIS ML62Q1347 CMOS 16-bit RISC MCU, 24-pin QFN
- Mounted with the linked connector to EASE1000
- Through-holes for connecting the pins of LSI to external peripheral boards
- Selectable power supply, supplied from the on-chip emulator EASE1000 or CN1_3pin/CN2_2pin
- Mounted LED (P20, P21, P22)
- Low power consumption
- Internal flash memory and RAM
- Flexible I/O and communication interfaces
- Real-time processing
- 1.6V to 5.5V operating supply range
- Compact form factor, 56mm x 94mm x 15mm (WxDxH) size
Applications
- Industrial control
- Consumer electronics
- Automotive systems
- Sensor networks
Overview
Power Circuit
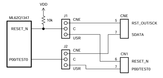
EASE1000 Interface
PCB Layout
Đã phát hành: 2024-12-26
| Đã cập nhật: 2024-12-31
