ROHM Semiconductor RB-D62Q2524GD40 Reference Board
ROHM Semiconductor RB-D62Q2524GD40 Reference Board is a comprehensive development platform powered by the LAPIS ML62Q2524 CMOS 16-bit RISC microcontroller. Designed to facilitate rapid prototyping and testing, this board excels in applications requiring efficient processing and low power consumption. The board is particularly well-suited for automotive systems, including main inverters, onboard chargers, battery management systems, and industrial equipment for factory automation and control. Additionally, the board supports the development of energy-efficient consumer electronics. Compatible with the ROHM Semiconductor suite of development tools, the RB-D62Q2524GD40 enables engineers to create innovative, reliable, and optimized solutions for various embedded system applications.Features
- Provided with the LAPIS ML62Q2524 CMOS 16-bit RISC MCU, 40-pin WQFN
- Mounted with the linked connector to EASE1000 V2
- Through-holes for connecting the pins of LSI to external peripheral boards
- Selectable power supply, supplied from the on-chip emulator EASE1000 V2 or CN1_3pin
- Mounted 32.768KHz crystal
- Mounted LEDs (P20, P21, P22)
- Foot pattern with components for Successive Approximation Type A/D Converter is available (P30, P31, P32, P33)
- Low power consumption
- Internal flash memory and RAM
- Flexible I/O and communication interfaces
- Real-time processing
- 1.8V to 5.5V operating supply range
- Compact form factor, 56mm x 94mm x 15mm (WxDxH) size
Applications
- Automotive systems
- Industrial equipment
- Consumer electronics
Overview
Power Circuit
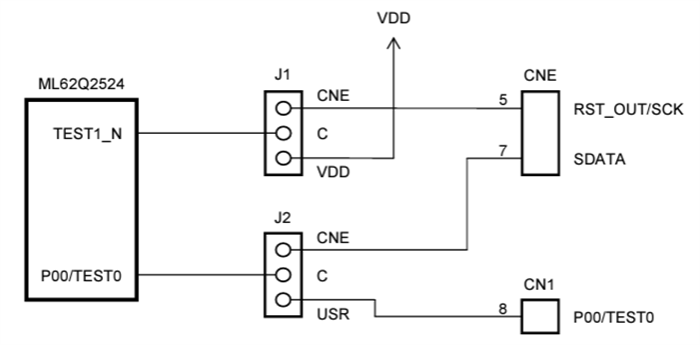
EASE1000 V2 Interface
PCB Layout
Đã phát hành: 2024-12-30
| Đã cập nhật: 2025-01-07
