Rubycon ZLS Radial Lead Aluminum Electrolytic Capacitors
Rubycon ZLS Radial Lead Aluminum Electrolytic Capacitors feature a 10VDC to 35VDC voltage range, ±20% capacitance tolerance, and RoHS compliance. The ZLS series offers low impedance and a 900mA to 3570mA rated ripple current. Rubycon ZLS Radial Lead Aluminum Electrolytic Capacitors have a 8mm x 11.5mm to 12.5mm x 35mm dimensions range.Specifications
- 10VDC to 35VDC rated voltage
- ±20% capacitance tolerance
- 900mA to 3570mA rated ripple current
- RoHS compliant
- -40°C to +105°C temperature range
- 8mm x 11.5mm to 12.5mm x 35mm dimension range
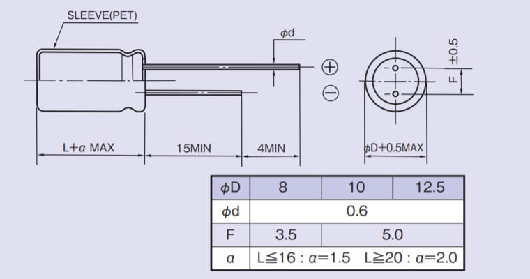
Dimensions
Đã phát hành: 2019-08-12
| Đã cập nhật: 2023-06-12
