Schurter KMF Compact Power Entry Modules
Schurter KMF Compact Power Entry Modules offer innovative EMC-shielding with flexible steel segments to ensure a solid connection. These compact, panel-mounted, snap-in modules feature 4.8mm x 0.8mm quick-connect terminals and come in Protection Class I and II versions. KMF Compact Power Entry Modules are suitable for use in medical equipment according to IEC/UL 60601-1.Features
- Suitable for use in medical equipment according to IEC/UL 60601-1
- Panel mount - snap-in version from the front side
- 4 functions
- Appliance inlet protection Class I or II
- Line switch 2-pole
- Fuseholder for fuse-links 5mm x 20mm 1 or 2 pole
- Line filter in standard and medical versions
- 4.8mm x 0.8mm quick-connect terminals
- Easy and flexible snap-in mounting
- Protection Class I or II versions
- Single elements are already wired
- Ultra-compact design with small dimensions in front of and behind the panel
- Innovative EMC shielding with flexible steel segments for an excellent contact
- Approvals
- VDE Certificate 40035743
- UL File E72928
- CQC Certificate CQC18001186843, CQC18001
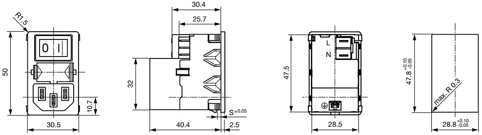
Dimensions (mm)
Diagram
Required Accessory
Đã phát hành: 2016-02-17
| Đã cập nhật: 2023-03-29
