Semtech LR1110 LoRa Edge™ Transceiver
Semtech LR1110 LoRa Edge™ Transceiver is designed to comply with the physical layer requirements of the LoRaWAN® specification. The LR1110 transceiver is an ultra-low power platform that integrates a long-range LoRa transceiver, a multi-constellation GNSS scanner, and a passive Wi-Fi® MAC address scanner that targets geolocation applications. This long-range transceiver supports LoRa® and Gaussian Frequency Shift Keying (GFSK) modulations for LPWAN. The LR1110 transceiver from Semtech is highly configurable to meet different application requirements that utilize the global LoRaWAN standard or proprietary protocols. This transceiver features a Global Navigation Satellite System (GNSS) receiver, allowing fast and energy-efficient outdoor geolocation. Applications include asset location, asset traceability, asset loss and theft prevention, asset recovery, and inventory management.Features
- Low-power high-sensitivity LoRa/GFSK half-duplex RF transceiver
- Worldwide ISM frequency bands support in the range 150MHz to 960MHz
- Low noise figure RX front-end for enhanced LoRa/GFSK sensitivity
- +22dBm high power PA path
- +15dBm high-efficiency PA path
- Integrated PA regulator supply selector to simplify dual power +15/+22dBm with one board implementation
- Able to support worldwide multi-region BOM, the circuit adapts to matching network to satisfy regulatory limits
- Fully compatible with the SX1261/2/8 family and the LoRaWAN standard, defined by the LoRa Alliance®
- Multi-purpose radio front-end targeting geo-positioning purposes
- GNSS (GPS/ BeiDou) low-power scanning
- 802.11b/g/n Wi-Fi ultra-low-power passive scanning
- 150MHz to 2700MHz continuous frequency synthesizer range
- High bandwidth RX ADC (up to 24MHz DSB)
- Digital baseband processing
Applications
- Asset location
- Asset recovery
- Asset traceability
- Inventory management
- Asset loss and theft prevention
Block Diagram
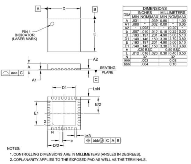
Mechnical Drawing
LR1110 Modes and Transitions
Videos
Additional Resource
Đã phát hành: 2020-04-20
| Đã cập nhật: 2024-12-03
