AIRPAX / Sensata AP Series Magnetic Circuit Breakers
AIRPAX / Sensata AP Series Magnetic Circuit Breakers are fully sealed, hydraulic magnetic circuit protectors. These circuit breakers combine power switching and accurate, reliable circuit protection with inverse time delays and "trip-free" features. In "trip-free" action, the circuit will not remain closed in the presence of an overload even though the handle is held in the ON position. The AP magnetic circuit protectors are available in either DC, 50Hz/60Hz, or 400Hz versions and with various delays to match the protector to specific application requirements. An "O" ring bushing seal and a silicone rubber gland within the bushing/handle assembly provide waterproof panel integrity. The devices are certified against salt spray testing per MIL-STD-202, Method 101, Test Condition B, with no evidence of corrosion, electrical, or mechanical damage. Typical applications include communication, navigation, aircraft instrumentation, radar, power supplies, and petrochemical devices.The Airpax™ UP circuit protectors are available in single-pole units with a UL recognition and CSA certification. These circuit protectors operate at 50V DC to 20A, 120V 50Hz/60Hz to 15A and 240V 50Hz/60Hz to 7.5A. The Airpax UP circuit protectors offer an optional Factory Mutual (FM) research approval for petrochemical applications and an optional ATEX certification for use in explosive environments.
The Airpax™ AP-MIL protectors are produced per MILPRF-39019 and are available in one, two, and three-pole series trip units, with or without auxiliary contacts.
Features
- QPL to MIL-PRF-39019
- Sealed magnetic-hydraulic circuit protection
- Can withstand 100G shock repeatedly
- Ideal for use in Class 1, Div. 2 Groups A, B, C, and D hazardous locations
- “Trip-free” action — the circuit will not remain closed in the presence of an overload, even though the handle is held in the ON position
Applications
- Communication
- Navigation
- Aircraft instrumentation
- Radar
- Power supplies
- Petrochemical requirements
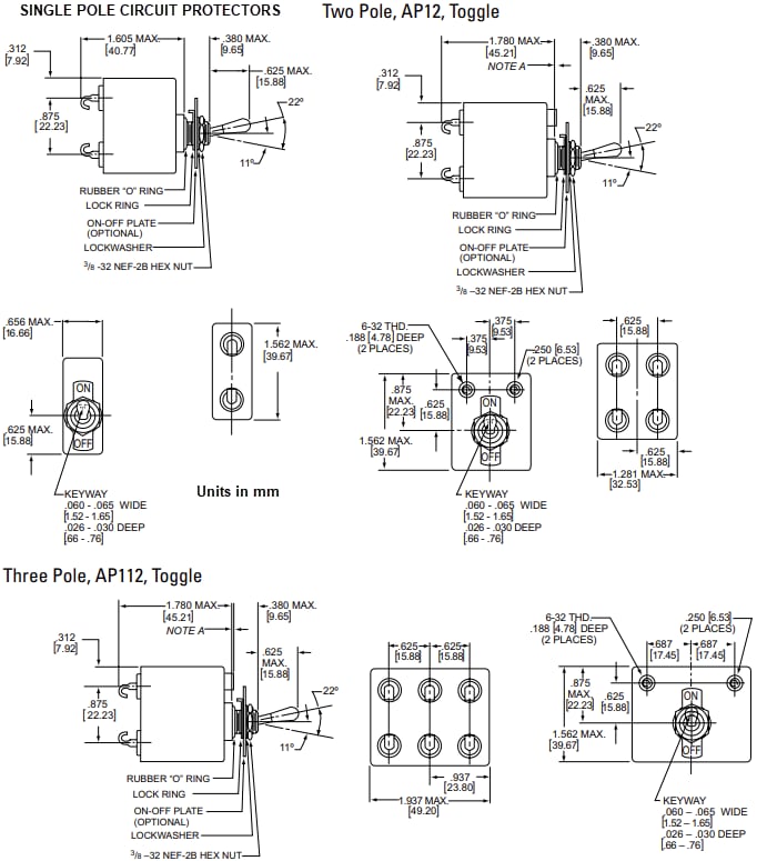
Dimensions
Videos
Đã phát hành: 2025-05-22
| Đã cập nhật: 2025-06-09
