Bosch BMA530 Shuttle Board 3.0
Bosch BMA530 Shuttle Board 3.0 is a printed circuit board (PCB) with a pre-mounted BMA530 Acceleration Sensor. In combination with the Application Board 3.0/3.1, the shuttle board evaluates various functionalities provided on the BMA530 sensor. The BMA530 Shuttle Board 3.0 allows easy access to the sensor pins via a simple socket and can be directly plugged into the Bosch Sensortec Application Board 3.0/3.1.Features
- Pre-mounted BMA530 acceleration sensor
- Evaluates various functionalities of the BMA530
- Easy access to sensor pins via a simple socket
- Plugs directly into the Bosch Sensortec Application Board 3.0/3.1
- 22mm x 14mm x 1.6mm dimensions
Applications
- Wearables and activity-tracking devices
- Toys and gadgets
- Laptops
- Gesture recognition
- Freefall detection
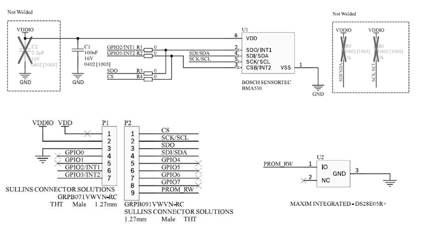
Electrical Layout
Dimensions (mm)
Đã phát hành: 2024-05-14
| Đã cập nhật: 2024-05-17
