Skyworks Solutions Inc. SKY66407-11EK1 Evaluation Board
Skyworks Solutions Inc. SKY66407-11EK1 Evaluation Board provides a demonstration platform for testing the performance of the SKY66407-11 BLUETOOTH® Front-End Module. The board from Skyworks Solutions is optimized for evaluation, experimentation, and investigation with a Bluetooth Low Energy (BLE) or IEEE 802.15.4 Low-Rate Wireless Personal Area Network (LR-WPAN) signal source. The design and layout can be quickly and easily transferred into a production design.Features
- Pre-mounted SKY66407-11 front-end module
- 2x 50Ω SMA connectors
- 12-position header
- Compact PCB
Reference Design Schematic
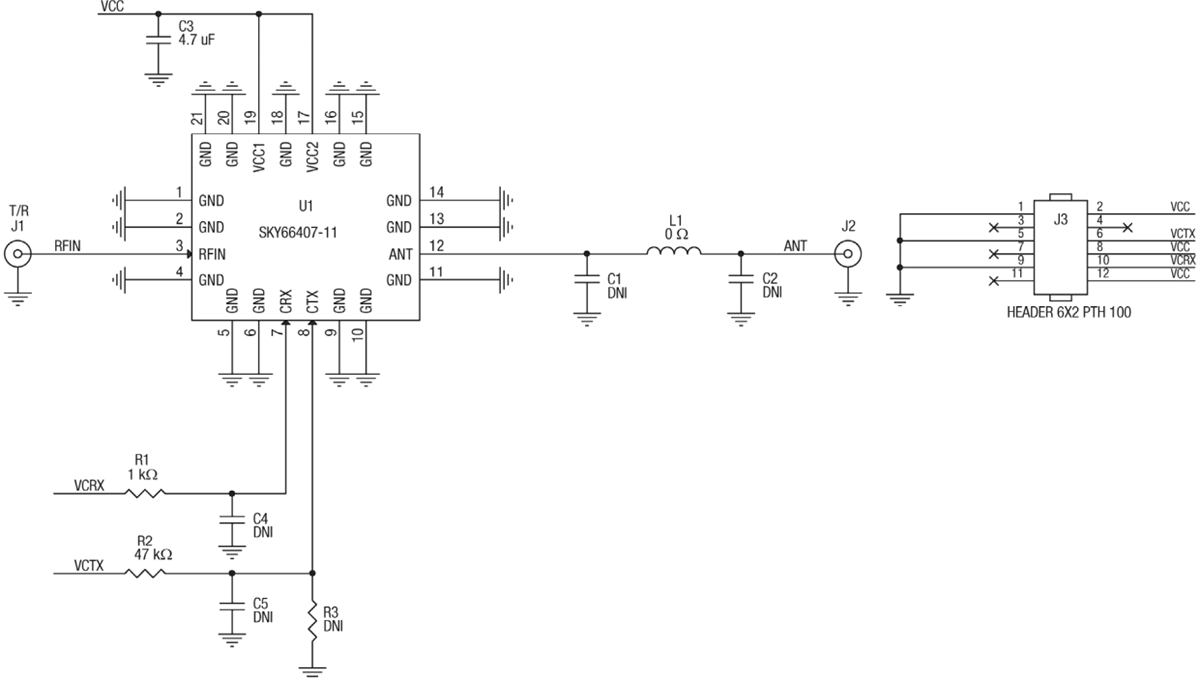
Evaluation Board Schematic
Đã phát hành: 2019-09-18
| Đã cập nhật: 2024-02-01
