STMicroelectronics L6986 Synchronous Step-Down Switching Regulators
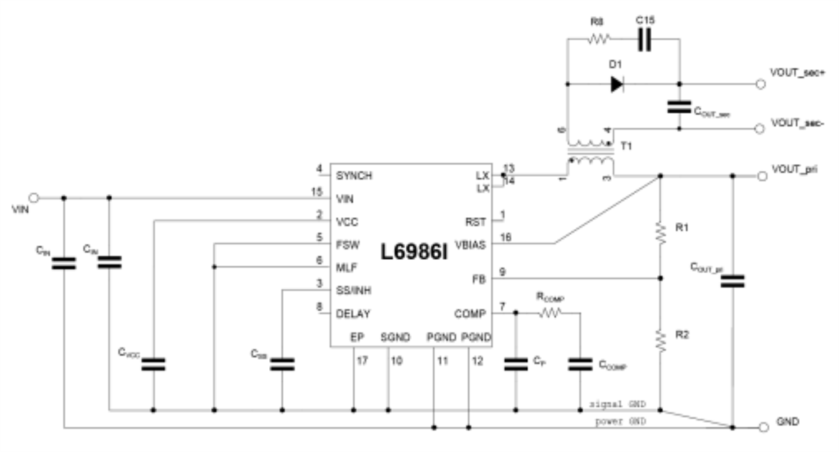
STMicroelectronics L6986H Synchronous Step-Down Switching Regulators deliver up to 2A DC with an output voltage adjustability that ranges from 0.85V to VIN. The STMicroelectronics L6986I is a 38V, 5W synchronous iso-buck converter that enables a finely adjustable primary output voltage and an isolated secondary output generated using a transformer. The primary sink capability (typ. 1.9 A) allows appropriate energy transfer to the secondary side and enables soft-start tracking of the secondary output. The control loop is based on a peak current mode architecture, with the device operating in forced PWM. The 300ns blanking time filters oscillations generated by the transformer leakage inductance and renders the solution more robust.Pulse-by-pulse current sensing on both power elements implements effective constant current protection on the primary side. At the same time, the second output is protected against short-circuit events because of the primary reverse current limit. Thanks to the P-channel MOSFET high-side power element, the device features a 100% duty cycle operation. The wide input voltage range meets the specifications for the 5V, 12V, and 24V power supplies.
Features
- 2A DC output current
- 4V to 38V operating input voltage
- Low consumption mode or low noise mode
- 30µA IQ at light-load (LCM VOUT = 3.3V)
- 8µA IQ-SHTDWN
- Adjustable fSW (250kHz - 2MHz)
- Fixed output voltage (3.3V and 5V) or adjustable from 0.85V to VIN
- Embedded output voltage supervisor
- Synchronization
- Adjustable soft-start time
- Internal current limiting
- Overvoltage protection
- Output voltage sequencing
- Peak current mode architecture
- RDS(on)HS = 180mΩ, RDS(on)LS = 150mΩ
- Thermal shutdown
Specifications
- 2A DC output current
- 4V to 38V operating input voltage
- 30µA IQ at light-load (LCM VOUT = 3.3V)
- Adjustable fSW (250kHz - 2MHz)
- Fixed output voltage (3.3V and 5V) or adjustable from 0.85V to VIN
- RDS(on)HS = 180mΩ, RDS(on)LS = 150mΩ
- L6981I
- 1.9A typical sink peak primary current capability
- 300ns blanking time
- 8µA IQ-SHTDWN
Applications
- Designed for 12V and 24V buses
- Programmable logic controllers (PLCs)
- Decentralized intelligent nodes
- Sensors and low noise applications (LNM)
Additional Resources
Videos
Đã phát hành: 2019-05-01
| Đã cập nhật: 2024-03-26
