STMicroelectronics LDK130P DFN-6L Low Drop Voltage Regulators
STMicroelectronics LDK130P DFN-6L Low Dropout (LDO) Voltage Regulators provide 300mA of maximum current from an input supply voltage in the range of 1.9V to 5.5V, with a typical dropout voltage of 100mV. These devices are stabilized with a ceramic capacitor on the output. The low drop voltage, low quiescent current, and low noise features make the LDK130P LDOs suitable for low power battery-powered applications. An enable logic control function puts the LDK130P in shutdown mode allowing a total current consumption lower than 1μA. These devices also includes a short-circuit constant current limiting and thermal protection.Features
- Input voltage from 1.9V to 5.5V
- Very low dropout voltage (100mV typ. at 100mA load)
- Low quiescent current (max. 120μA, 1μA in OFF mode)
- Very low noise
- Output voltage tolerance: ± 2.0% @ 25°C
- 300mA guaranteed output current
- Wide range of fixed output voltages available on request from 0.8V to 3.5V with 100mV step
- Adjustable version: from 0.8V to VIN to Vdrop
- Logic-controlled electronic shutdown
- Compatible with ceramic capacitor COUT = 1μF
- Internal current and thermal limit
- Temperature range: -40°C to +125°C
Applications
- Smartphones
- Tablets
- Cordless phones and similar battery-powered systems
- Digital still cameras
Block Diagram
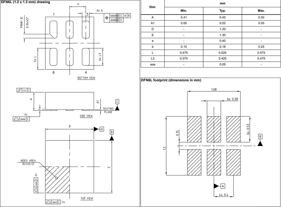
Package Outline
Đã phát hành: 2014-04-21
| Đã cập nhật: 2024-04-23
