STMicroelectronics LDL1117 Low-Dropout Linear Voltage Regulators
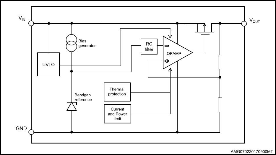
STMicroelectronics LDL1117 Low-Dropout Linear Voltage Regulators features 1.2A of maximum current with an input voltage range from 2.5V to 18V. The LDL1117 has a typical dropout voltage of 350mV@1.2A. The high power supply rejection ratio of 87dB at 120Hz, rolling down to more than 40dB at 100kHz, makes the LDL1117 suitable for direct regulation in SMPS and secondary linear regulation in DC-DC converters. This device includes current limit, SOA, and thermal protections.Features
- Input voltage from 2.5V to 18V
- 20V AMR
- Available on fixed output voltages: 1.2V(1.185V), 1.5V, 1.8V, 2.5V, 3V, 3.3V, 5.0V (other options are available on request)
- Guaranteed output current 1.2A
- Typical dropout 350mV@1.2A
- Internal thermal, current, and power limitation
- High PSRR 87dB @120Hz
- Operating temperature range: -40°C to 125°C package SOT223
Applications
- Consumer
- Industrial
- SMPS
- Motherboard P.O.L.
- DC-DC post-regulation
Complete Your Design
Block Diagram
Đã phát hành: 2017-07-10
| Đã cập nhật: 2022-03-11
