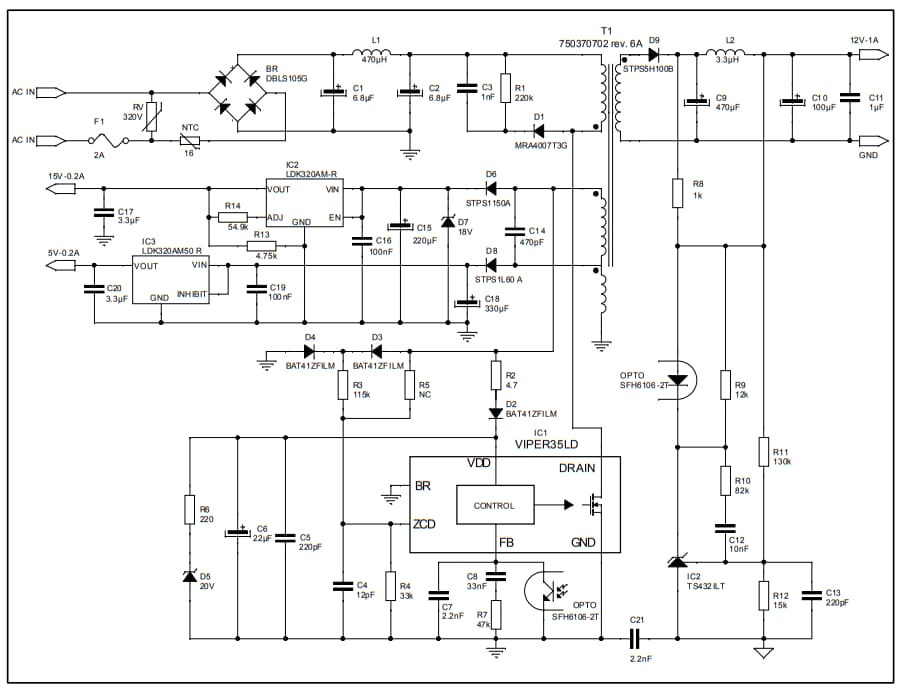
STMicroelectronics STEVAL-ISA183V1 Evaluation Board
STMicroelectronics STEVAL-ISA183V1 Evaluation Board uses a 16W triple output power supply designed in quasi-resonant flyback topology designed as an auxiliary PSU for air conditioning applications. The STEVAL-ISA183V1 uses the VIPer35LD high voltage converter from the VIPerPlus product family. The converter integrates an 800V rugged power MOSFET with a quasi-resonant PWM current-mode control.Specifications
- Triple output voltages:
- 12V/1A (isolated), 15V/200mA (non-isolated), and 5V/200mA (non-isolated)
- High performance at low load conditions:
- <50mW at no-load condition
- <1.5W input power at minimum operative output power (0.91W)
- 175VAC to 275VAC main input voltage range
- >81% efficiency at full load
- EN55022-Class-B EMI
- RoHS compliant
STEVAL-ISA183V1 Schematic
Learn More About
Đã phát hành: 2017-06-16
| Đã cập nhật: 2022-06-13
