STMicroelectronics STEVAL-ISA189V1 Evaluation Board
STMicroelectronics STEVAL-ISA189V1 Evaluation Board is based on the A6986F5V, which can deliver up to 1.5A and withstand cold crank events and wide input operating voltage ranges. The STEVAL-ISA189V1 is AEC Q100-qualified and is the ideal choice for battery-powered automotive systems. The board has synchronous rectification for higher efficiency at full load and application compactness. High-frequency switching (programmable up to 2MHz) helps to reduce size and cost of power passive components while remaining outside the AM band.Features
- AEC-Q100 qualification
- 1.5A DC output current
- 4V to 38V operating input voltage
- Low consumption mode or low noise mode
- Programmable ISKIP current
- 45μA IQ at light load (LCM VIN = 12V)
- 8μA IQ-SHTDWN
- Adjustable fSW (250kHz - 2MHz)
- 5V fixed output voltage VOUT
- Embedded output voltage supervisor
- Synchronization
- Adjustable soft-start time
- Internal current limiting
- Overvoltage protection
- Output voltage sequencing
- Peak current mode architecture
- 180mΩ RDS(on)HS and 150mΩ RDS(on)LS
- Thermal shutdown
- RoHS compliant
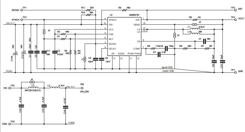
STEVAL-ISA189V1 Schematic
Đã phát hành: 2016-05-20
| Đã cập nhật: 2022-03-11
