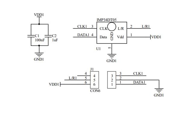
STMicroelectronics STEVAL-MIC003V1 Daughterboard
STMicroelectronics STEVAL-MIC003V1 Daughterboard is designed to be used in conjunction with the X-NUCLEO-CCA02M1 expansion board. It features 4 x IMP34DT05 top-port digital MEMS microphones and a PDM single-bit output. The ST STEVAL-MIC003V1 daughterboard includes omnidirectional sensitivity and a 122.5dBSPL acoustic overload point. It operates at a 1.6V to 3.2V supply voltage range.Features
- PDM single-bit output
- RoHS compliant
- Daughterboard to be used with X-NUCLEO-CCA02M1
- Omnidirectional sensitivity
- 4 x IMP34DT05 top port digital MEMS microphone
Specifications
- 1.6V to 3.6V supply voltage range
- 64dB of SNR
- 122.5dBSPL acoustic overload point
- -26bBFS ±3dB sensitivity
Circuit Schematic
Đã phát hành: 2020-08-26
| Đã cập nhật: 2025-01-13
