STMicroelectronics STEVAL-MKI204V1K Temperature Probe Kit
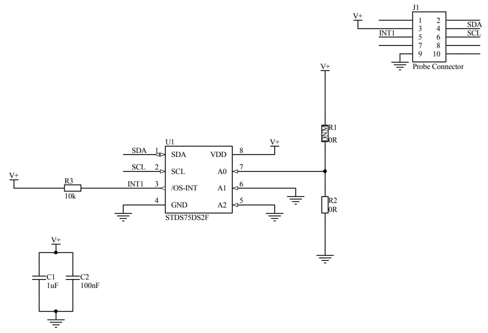
STMicroelectronics STEVAL-MKI204V1K Temperature Probe Kit includes a probe with the STLM75 temperature sensor connected via flat cable to the STEVAL-MKIGIBV1 adapter board. The STMicroelectronics kit can interface with the STEVAL-MKI109V3 motherboard. The device can be mounted on a very thin probe due to its small package dimensions. This allows the device to take temperature readings that are not influenced by heat from other electronic components or boards. The STEVAL-MKIGIBV1 can be plugged into a standard DIL24 socket.Features
- User-friendly STLM75 board
- Complete STLM75 pinout for a standard DIL 24-socket
- Fully compatible with STEVAL-MKI109V3 motherboards
- RoHS compliant
- WEEE compliant
Schematic
Đã phát hành: 2019-04-09
| Đã cập nhật: 2024-02-16
