STMicroelectronics STEVAL-MKI215V1 Adapter Board
STMicroelectronics STEVAL-MKI215V1 Adapter Board is designed to facilitate the evaluation of MEMS devices in the LSM6DS032 product family. This adapter board offers an effective solution for fast system prototyping and device evaluation directly within the user's application. The STEVAL-MKI215V1 adapter board provides the complete LSM6DS032 pin-out and comes ready with the required decoupling capacitor on the VDD power supply line. This adapter board supports the STEVAL-MKI1093V3 motherboards with a high-performance 32-bit microcontroller functioning as a bridge between the sensor and the PC. The motherboard is used to download a graphical user interface (GUI) or dedicated software routines for customized applications.The STMicroelectronics STEVAL-MKI215V1 adapter board can be plugged into a standard X-NUCLEO-IKS01A2 board, X-NUCLEO-IKS01A1 board, and X-NUCLEO-IKS01A3 board. This adapter board operates within a -40°C to +85°C operating temperature range. Typical applications include wearables, smartwatches, sports equipment, motion tracking, gesture location, hard fall detection, IoT and connected devices, sensor hubs, navigation, and smart power-saving for handheld devices.
Features
- Compatible with STEVAL-MKI109V3 motherboard
- Complete LSM6DS032 pinout for a standard DIL 24 socket
- -40°C to +85°C operating temperature range
- RoHS compliant
Applications
- Wearables, smartwatches, and sports equipment
- Motion tracking and gesture location
- Hard fall detection
- Sensor hubs
- Navigation
- Smart power saving for handheld devices
- IoT and connected devices
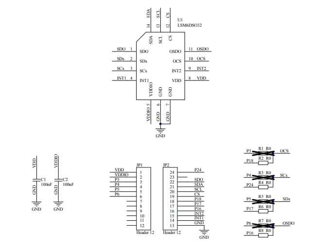
Adapter Board Schematic
Đã phát hành: 2020-09-01
| Đã cập nhật: 2024-12-30
