STMicroelectronics STEVAL-PMIC1K1 Evaluation Board
STMicroelectronics STEVAL-PMIC1K1 Evaluation Board is designed to evaluate the STPMIC1x power management IC for microprocessor units. This evaluation board includes a USB dongle that provides I2C access to the STPMIC1 configuration registers and helps to set other parameters. The STEVAL-PMIC1K1 evaluation board comes with header connectors for external access to the embedded regulators and switches in the device. This evaluation board also features internal routing via jumpers that satisfy any physical configuration requirements. The STEVAL-PMIC1K1 evaluation board offers programmable converter power-on, power-off sequences, I2C control, and non-volatile memory configuration storage. Typical applications include the smart industry and IoT.Features
- Evaluation board for the STPMIC1x PMICs
- Includes header connectors
- Internal routing jumpers
- Programmable voltage outputs and protection parameters
- Programmable converter power-on and power-off sequences
- I2C control and non-volatile memory configuration storage
- 3.1V to 5V single supply input voltage range
- Single-device MPU supply solution embedding
- Five LDOs
- Five high-efficiency DC/DC converters
- One termination
- One voltage reference for DDR memory
- Two power switches
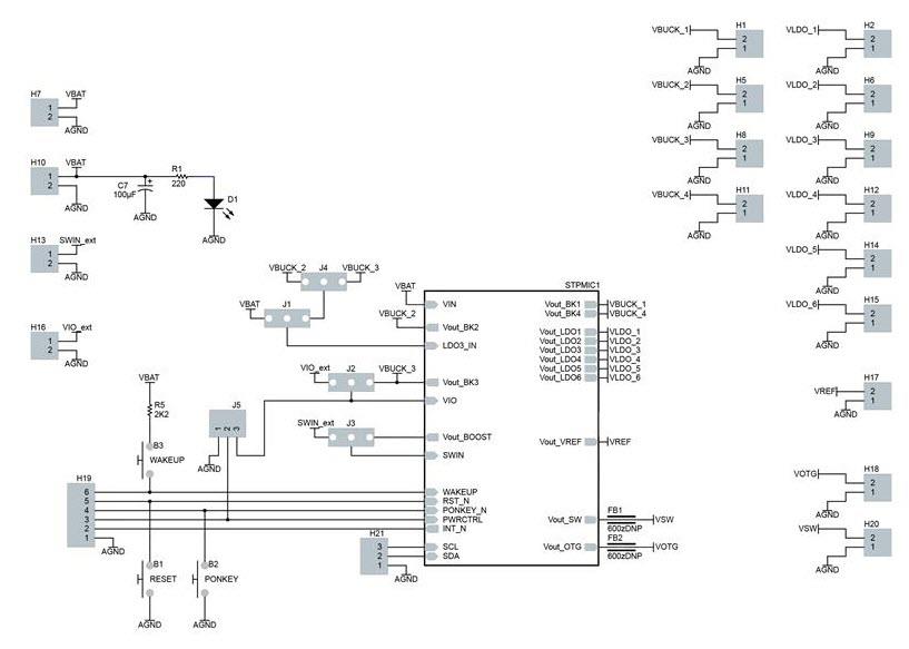
Schematic Diagram
Additional Resource
Đã phát hành: 2019-12-15
| Đã cập nhật: 2024-02-09
