STMicroelectronics S2-LP Ultra-Low Power, Sub-1GHz Transceivers

STMicroelectronics S2-LP Ultra-Low Power, High Performance, Sub-1GHz Transceivers are designed for RF wireless applications. The S2-LP Transceivers operate in the  license-free ISM and SRD frequency bands at 433MHz, 512MHz, 868MHz, and 920MHz. The Transceivers can also be programmed to operate at other additional frequencies in the 413MHz to 479MHz, 452MHz to 527MHz, 826MHz to 958MHz, and 904MHz to 1055MHz bands.

The S2-LP supports the 2(G)FSK, 4(G)FSK, OOK, and ASK modulation schemes. The air data rate is programmable from 0.1kbps to 500kbps. The S2-LP Transceiver can be used in systems with channel spacing down to 1kHz enabling the narrow band operations.

The S2-LP shows an RF link budget higher than 140dB for long communication ranges and meets the regulatory requirements applicable in territories worldwide, including Europe, Japan, China, and the USA.

Features

  • Frequency bands:
    • S2-LPQTR: 413MHz to 479MHz; 826MHz to 958MHz
    • S2-LPCBQTR: 452MHz to 527MHz; 904MHz to 1055MHz
  • Modulation schemes: 2(G)FSK, 4(G)FSK, OOK, ASK
  • Air data rate from 0.1kbps to 500kbps
  • Ultra-low power consumption:
    • 7mA RX
    • 10mA TX @ +10dBm
  • Excellent performance of receiver sensitivity: down to -130dBm
  • Excellent receiver selectivity and blocking
  • Programmable RF output power up to +16dBm
  • Programmable RX digital filter
  • Programmable channel spacing
  • Fast start-up and frequency synthesizer settling time
  • Automatic frequency offset compensation, AGC and symbol timing recovery
  • More than 145dB RF link budget
  • Battery indicator and low battery detector
  • RX and TX 128 bytes FIFO buffers
  • 4-wire SPI interface
  • Automatic packet acknowledgment and retransmission
  • Embedded timeout protocol engine
  • Excellent receiver selectivity (> 80dB @ 2MHz)
  • ST companion integrated balun/filter chips are available
  • Antenna diversity algorithm
  • Fully integrated ultra-low power RC oscillator
  • Wake-up driven by internal timer or external event
  • Digital real-time RSSI
  • Flexible packet length with dynamic payload length
  • Programmable preamble and SYNC word quality filtering and detection
  • Embedded CSMA/CA engine based on listen-before-talk systems
  • IEEE 802.15.4g hardware packet support with whitening, FEC, CRC, and dual SYNC word detection
  • Wireless M-BUS supported
  • Enables operations in the SIGFOX™ and MONARCH networks
  • Suitable to build systems targeting:
    • Europe: ETSI EN 300 220, category 1.5 natively compliant, ETSI EN 303 131
    • US: FCC part 15 and part 90
    • Japan: ARIB STD T67, T108
    • China: SRRC
  • Operating temperature range: -40°C to +105°C
  • Package: 4mm x 4mm x 1mm QFN-24L

Applications

  • Power load switching
  • Sensors to Cloud
  • Smart metering
  • Home energy management systems
  • Wireless alarm systems
  • Smart home
  • Building automation
  • Industrial monitoring and control
  • Smart lighting systems

Content Stream

STMicroelectronics S2-LP Ultra-Low Power, Sub-1GHz Transceivers

Videos

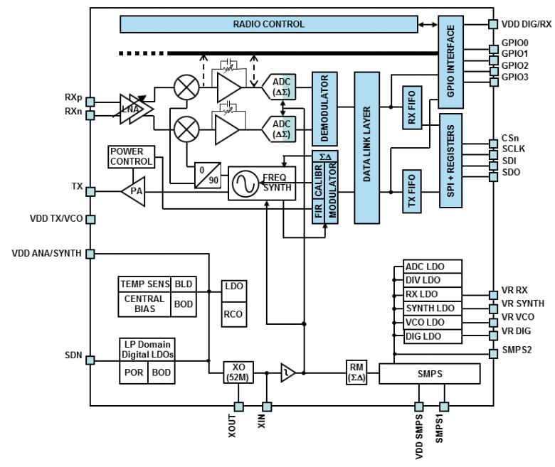
Block Diagram

Block Diagram - STMicroelectronics S2-LP Ultra-Low Power, Sub-1GHz Transceivers
Đã phát hành: 2017-05-19 | Đã cập nhật: 2022-05-09