STMicroelectronics ACEPACK 2 Power Module
STMicroelectronics ACEPACK 2 Power Module offers a 3-level topology with NTC and capacitance. The device is based on silicon carbide third-generation technology. The STmicro modular solution achieves complex topologies with high power density and efficiency requirements in DC-DC converter applications.Features
- NH and NL at 750V, 6mΩ of typical RDS(on) each switch
- BH and BL at 1200V, 9.5mΩ of typical RDS(on) each switch
- 3kVRMS insulation
- Integrated NTC temperature sensor
- DC link capacitors between DC BUS and neutral
- AIN DBC improved thermal performance
- Press-fit contact pins
Specifications
- 750V drain-source breakdown voltage
- -10V to 22V gate-source voltage
- -5V to 18V gate-source voltage, recommended operating values
- 180A drain current (continuous) at TH = 25°C
- 360A repetitive peak drain current
- -55°C to 150°C operating junction temperature range
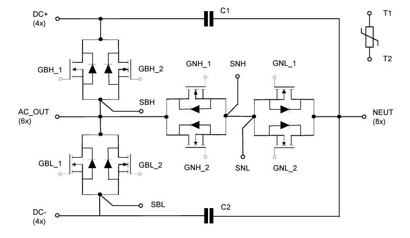
Electrical topology & pin description
Đã phát hành: 2024-08-22
| Đã cập nhật: 2024-09-20
