STMicroelectronics STEVAL-MKI236A 2xASM330LHB Adapter Board
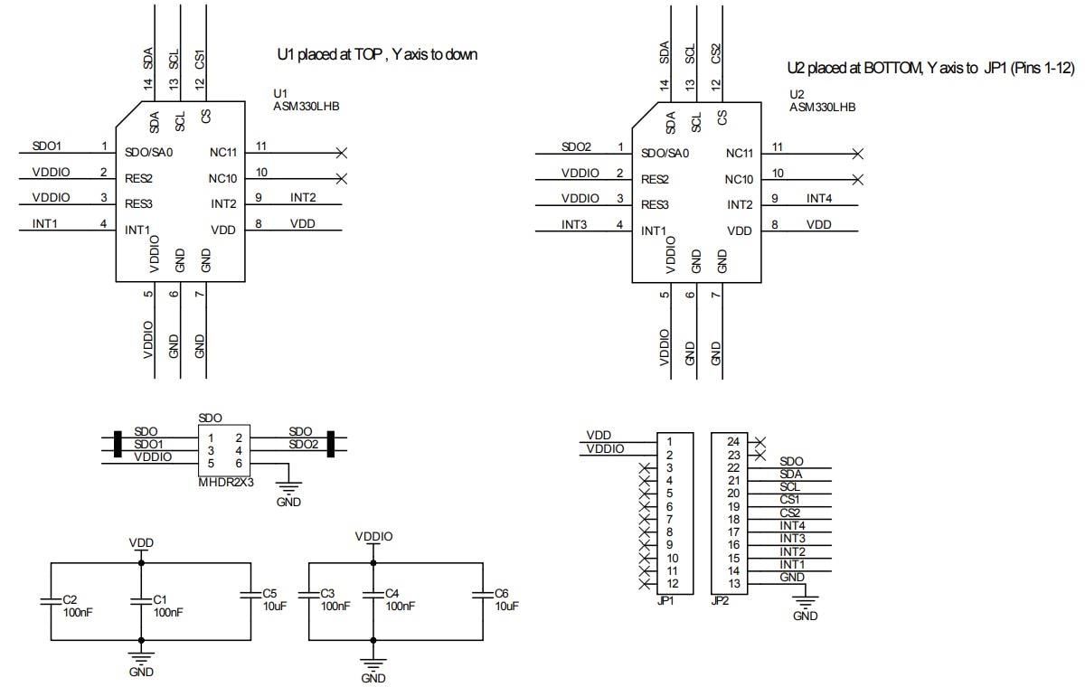
STMicroelectronics STEVAL-MKI236A 2xASM330LHB Adapter Board is designed to facilitate the evaluation of MEMS devices in the ASM330LHB product family. This adaptor includes the complete ASM330LHB pinout and the ready-to-use decoupling capacitors on the VDD and VDDIO power supply lines. The STEVAL-MKI236A board can be plugged into a standard DIL 24 socket, providing an efficient solution for rapid system prototyping and device evaluation. This adapter board is supported by the STEVAL-MKI109V3 motherboard that incorporates a high-performance 32-bit microcontroller functioning as a bridge between the sensor and a PC. Typical applications include satellite precise positioning, ADAS systems, active suspension, radar, lidar and digital camera stabilization, and motion-activated functions.Features
- Complete ASM330LHB pinout for a standard DIL 24 socket
- Provides an efficient solution for rapid system prototyping and device evaluation
- Fully compatible with the STEVAL-MKI109V3 motherboard
- RoHS compliant
Applications
- Satellite precise positioning
- ADAS systems
- Active suspension
- Radar, lidar, and camera digital stabilization
- Motion-activated functions
Circuit Schematic
Đã phát hành: 2023-04-26
| Đã cập nhật: 2023-05-03
