Tempo Semiconductor TSCS42x Low-Power CODECs
Tempo Semiconductor TSCS42x Low-Power CODECs are high-fidelity integrated CODECs designed with 32-bit stereo playback and record functionality. These devices combine the true cap-less headphone amplifier and offer an 8kHz to 96kHz sample rate range. The TSCS42x CODECs operate at 0°C to 70°C and are available in a 48-lead 7mm x 7mm QFN package. These devices offer an enriched audio presence through a built-in audio output processing DSP engine (AOP) tunable using the Windows®-based Tempo ASC GUI.Features
- High-fidelity 32-bit stereo CODECs
- Multiband compressor / limiter / expander
- Wideband Dynamic Range Compressor (DRC)
- 3D stereo enhancement
- High-frequency restoration for compressed audio content
- 2-wire (I2C compatible) control interface
- Stereo digital microphone interface
- Two flexible I2S / LJ / RJ digital audio interfaces
- Ultra-low power consumption with integrated power management
- 48-pin 7mm x 7mm QFN package
Applications
- BLUETOOTH® / Wi-Fi® speakers
- Portable navigation devices
- Portable gaming devices
- Personal media players
- Multimedia handsets
- Tablets
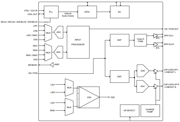
Block Diagram
Đã phát hành: 2020-09-15
| Đã cập nhật: 2024-12-09
