Texas Instruments AFE7954 Quad RF Sampling DAC
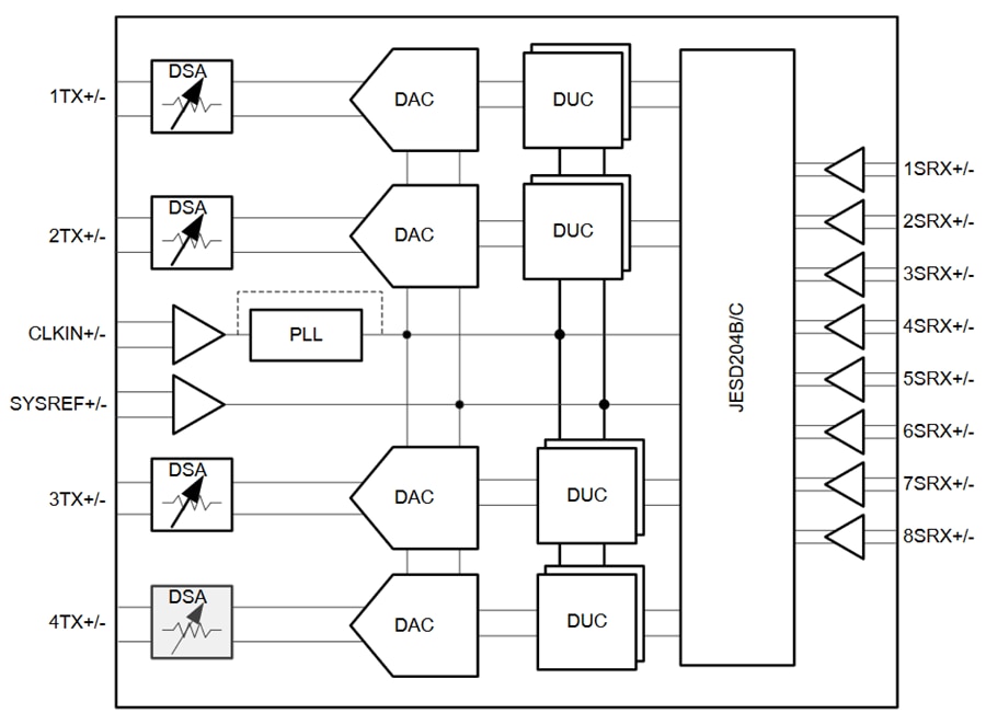
Texas Instruments AFE7954 Quad RF Sampling Digital-to-Analog Converter (DAC) is a high-performance, wide-bandwidth quad-channel RF sampling DAC. With operation up to 12GHz, this device enables direct RF sampling in the L, S, C, and X-band frequency ranges. This feature is done without the need for additional frequency conversion stages. This improvement in flexibility and density enables high-channel-count, multi-mission systems.The signal paths support interpolation and digital up-conversion options that deliver up to 1200MHz signal bandwidth for four DACs (TX) or 2400MHz for two DACs. The output of the DUCs drives a 12GSPS DAC (digital to analog converter) with a mixed mode output option to enhance the 2nd Nyquist operation. The DAC output of the Texas Instruments AFE7954 includes a variable gain amplifier (TX DSA) with a 40dB range and 1dB analog and 0.125dB digital steps.
Features
- Quad RF sampling 12GSPS transmit DACs
- Maximum RF signal bandwidth
- 4TX: 1200MHz
- 2TX: 2400MHz
- 600MHz to 12GHz RF frequency range
- Digital step attenuators (DSA)
- TX: 40dB range, 0.125dB steps
- Single or dual-band DUC
- 16x NCOs per TX
- Optional internal PLL/VCO for DAC or external clock at DAC sample rate
- SerDes data interface
- JESD204B and JESD204C compatible
- Eight SerDes transceivers up to 29.5Gbps
- Subclass 1 multi-device synchronization
- 17mm × 17mm FCBGA, 0.8mm pitch package
Applications
- Radar
- Seeker front end
- Defense radio
- Tactical communications infrastructure
- Wireless communications test
Functional Block Diagram
Đã phát hành: 2024-06-21
| Đã cập nhật: 2024-06-25
