Texas Instruments bq25723 I2C Buck-Boost Battery Charge Controller

Texas Instruments bq25723 I2C Buck-Boost Battery Charge Controller is a synchronous NVDC buck-boost battery charge controller to charge a 1- to 4-cell battery from a wide range of input sources. These sources include a USB adapter, high voltage USB-C Power Delivery (PD) sources, and standard adapters. The NVDC configuration allows the system to be regulated based on battery voltage but not drop below system minimum voltage. The system keeps operating even when the battery is completely discharged or removed. When load power exceeds the input source rating, the battery goes into supplement mode and prevents the system from crashing.

During power-up, the charger sets the converter to a buck, boost, or buck-boost configuration based on the input source and battery conditions. The charger seamlessly transitions between the buck, boost, and buck-boost operation modes without host control. In the absence of an input source, the bq25723 supports the USB On-the-Go (OTG) function from a 1- to 4-cell battery to generate an adjustable 3V to 24V output on VBUS, with 8mV resolution. The OTG output voltage transition slew rate can be configured to comply with the USB-PD 3.0 PPS specification.

When only a battery powers the system and no external load is connected to the USB OTG port, the bq25723 implements the latest Intel Vmin Active Protection (VAP) feature, in which the device charges up the VBUS voltage from the battery to store some energy in the input decoupling capacitors. During a system peak power spike, the energy stored in the input capacitors supplements the system to prevent the system voltage from dropping below the minimum system voltage and causing a system crash.

The Texas Instruments bq25723 monitors adapter current, battery current, and system power. The flexibly programmed PROCHOT output goes directly to the CPU for throttle back when needed. The latest version of the USB-C PD specification includes Fast Role Swap (FRS) to ensure power role swapping occurs in a timely fashion so that the device(s) connected to the dock can avoid experiencing momentary power loss or glitching. This device integrates FRS in compliance with the PD specification.

TI patented switching frequency dithering pattern can significantly reduce EMI noise over the whole conductive EMI frequency range (150kHz to 30MHz). Multiple dithering scale options are available to provide flexibility for different applications to simplify EMI noise filter design. The charger can be operated in the TI patented Pass-Through Mode (PTM) to improve efficiency over the full load range. In PTM, input power is directly passed through the charger to the system. Switching losses of the MOSFETs and inductor core loss can be saved for high-efficiency operations. The bq25723 is available in a 32-pin 4mm × 4mm WQFN package.

Features

  • Pin-to-pin compatible to bq25713
  • Buck-boost narrow voltage DC (NVDC) charger for USB-C Power Delivery (PD) interface platform
    • 3.5V to 26V input range to charge 1- to 4-cell battery
    • Charge current up to 16.2A/8.1A with 128mA/64mA resolution based on 5mΩ/10mΩ sensing resistor
    • Input current limit up to 10A/6.35A with 100mA/50mA resolution based on 5mΩ/10mΩ sensing resistor
    • Support USB 2.0, USB 3.0, USB 3.1 and USB Power Delivery (PD)
    • Input Current Optimizer (ICO) to extract max input power without overloading the adapter
    • Integrated Fast Role Swap (FRS) feature following USB-PD specification
    • Seamless transition between buck, buck-boost, and boost operations
    • Input current and voltage regulation (IINDPM and VINDPM) against source overload
  • TI patented switching frequency dithering pattern for EMI noise reduction
  • TI patented Pass-Through Mode (PTM) for system power efficiency improvement and battery fast charging achieving 99% efficiency.
  • IMVP8/IMVP9 compliant system features for Intel platform
    • Enhanced Vmin Active Protection (VAP) mode supplements battery from input capacitors during system peak power spike following latest Intel specification
    • Comprehensive PROCHOT profile
    • Two-level discharge current limit PROCHOT profile to avoid battery wire-out
    • System power monitor
  • Input and battery current monitor through dedicated pins
  • Integrated 8-bit ADC to monitor voltage, current, and power
  • Battery MOSFET ideal diode operation in supplement mode to support system when the adapter is fully loaded
  • Power up USB port from a battery (USB OTG)
    • 3V to 24V OTG with 8mV resolution
    • Output current limit up to 12.7A/6.35A with 100mA/50mA resolution based on 5mΩ/10mΩ sensing resistor
  • 800kHz/1.2MHz programmable switching frequency with 2.2µH/1.0µH inductor
  • I2C host control interface for flexible system configuration
  • High accuracy for the regulation and monitor
    • ±0.5% Charge voltage regulation
    • ±3% Charge current regulation
    • ±2.5% Input current regulation
    • ±2% Input/charge current monitor
  • Safety
    • Thermal shutdown
    • Input, system, battery overvoltage protection
    • Input, MOSFET, inductor overcurrent protection
  • 32-pin 4.0mm × 4.0mm WQFN package

Applications

  • Standard notebook PC, Chromebook
  • Tablet (multimedia), wireless speaker
  • Ultrasound scanner, ventilators

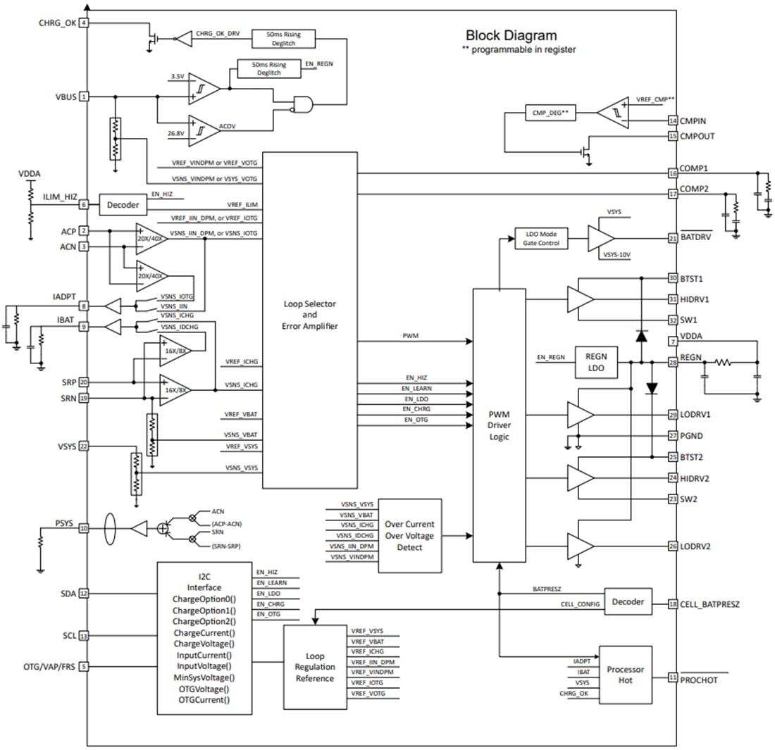
Functional Block Diagram

Block Diagram - Texas Instruments bq25723 I2C Buck-Boost Battery Charge Controller
Đã phát hành: 2021-06-15 | Đã cập nhật: 2022-03-11