Texas Instruments bq27Z746 Impedance Track™ Gas Gauge
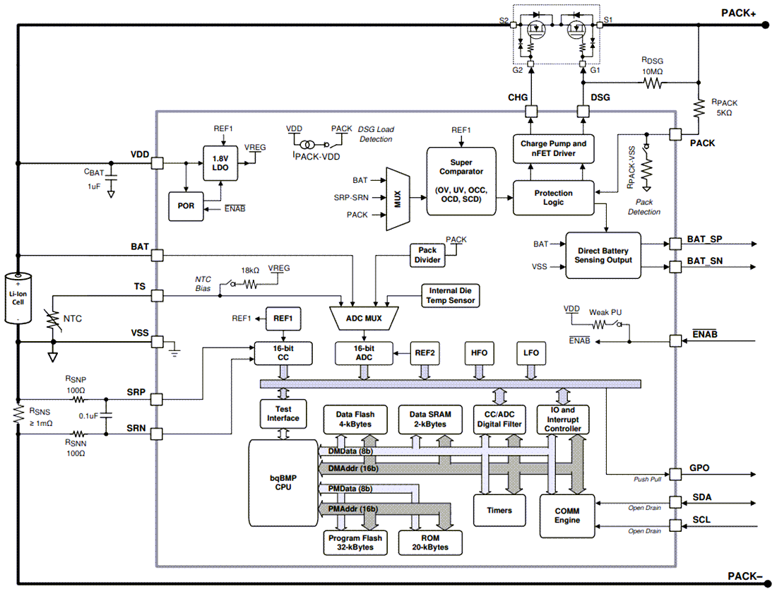
Texas Instruments bq27Z746 Impedance Track™ Gas Gauge solution is a highly integrated, accurate 1-series cell gas gauge and protection solution. The bq27Z746 device provides a fully integrated pack-based solution with a Flash programmable custom reduced instruction-set CPU (RISC), safety protection, differential battery sensing analog output, and authentication for 1-series cell Li-ion and Li-polymer battery packs.The Texas Instruments bq27Z746 gas gauge communicates through an I2C compatible interface and combines an ultra-low-power TI BQBMP processor, high accuracy analog measurement capabilities, and integrated Flash memory. It also includes an N-Ch high-side FET drive and an SHA-2 Authentication transform responder making the device a complete, high-performance battery management solution.
Features
- Integrated battery gas gauge and protector
- Flash-programmable custom BQBMP RISC CPU
- SHA-256 authentication
- 400kHz I2C bus communications interface
- Low-voltage (2.0V) operation
- Two independent precision 16-bit ADCs
- Coulomb counting ADC with current sense resistor down to 1mΩ
- Voltage ADC for cell voltage and external and internal temperature sensors
- Battery fuel gauging based on patented Impedance Track™ technology
- Models battery discharge curve for accurate time-to-empty predictions
- Automatically adjusts for aging-, temperature-, and rate-induced effects on the battery
- Battery Kelvin sense differential analog output pins with built-in protection
- High-side or low-side current sensing
- Programmable hardware-based protection
- High-side FET gate drivers
- Overvoltage and undervoltage (OVP and UVP)
- Overcurrent in discharge and overcurrent in charge (OCD and OCC)
- Short circuit in discharge (SCD)
- Firmware-based overtemperature (OT)
- Reduced typical power modes
- SLEEP mode (20µA)
- SHIP mode (10µA)
- SHELF mode (5µA)
- SHUTDOWN mode (0.2µA)
- Ultra-compact, 15-ball NanoFree™ DSBGA
Applications
- Any end equipment with 1-series rechargeable batteries
- Smartphones
- Tablets
- Cameras
- Portable wearables/medical
- Industrial handhelds
Functional Block Diagram
Đã phát hành: 2022-04-04
| Đã cập nhật: 2022-06-09
